专利数据库
统计分析
产业报告
专利数据监控
产业人才
行业动态
产业政策法规
维权援助
个人中心
详情
文本
图像
标题
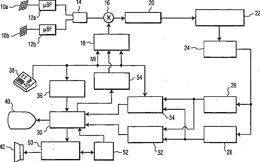
Ultrasound System for Cerebral Blood Flow Imaging and Microbubble-Enhanced Blood Clot Lysis
授权日
1900-01-01
公开(公告)号
US20100160780A1
申请日
2007-08-03
公开(公告)日
2010-06-24
当前申请(专利权)人
KONINKLIJKE PHILIPS ELECTRONICS N.V.
发明人
SWAN, WENDY | POWERS, JEFFRY
简单同族
CN101500651A | CN101500651B | EP2051778A2 | EP2255847A1 | JP2010500085A | JP5336369B2 | US20100160780A1 | US8211023 | WO2008017998A2 | WO2008017998A3 | WO2008017998B1
简单同族成员数量
11
简单同族被引用专利总数
75
诉讼案件数
0
法律状态/事件
授权 | 权利转移
抱歉,您的浏览器不支持PDF预览,请点击链接下载PDF文件