专利数据库
统计分析
产业报告
专利数据监控
产业人才
行业动态
产业政策法规
维权援助
个人中心
详情
文本
图像
标题
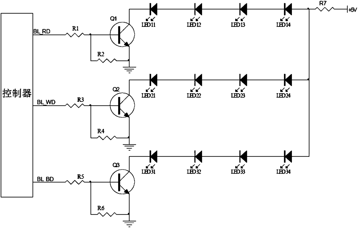
具有液晶显示功能的生物安全柜
授权日
2017-09-19
公开(公告)号
CN206505689U
申请日
2017-01-11
公开(公告)日
2017-09-19
当前申请(专利权)人
上海力申科学仪器有限公司
发明人
陈兴荣 | 冯金栋
简单同族
CN206505689U
简单同族成员数量
1
简单同族被引用专利总数
0
诉讼案件数
0
法律状态/事件
授权
抱歉,您的浏览器不支持PDF预览,请点击链接下载PDF文件