专利数据库
统计分析
产业报告
专利数据监控
产业人才
行业动态
产业政策法规
维权援助
个人中心
详情
文本
图像
标题
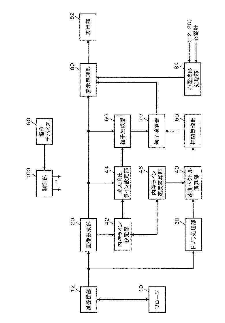
超音波診断装置
授权日
1900-01-01
公开(公告)号
JP2016214439A
申请日
2015-05-18
公开(公告)日
2016-12-22
当前申请(专利权)人
株式会社日立製作所
发明人
坂下 肇
简单同族
JP2016214439A
简单同族成员数量
1
简单同族被引用专利总数
0
诉讼案件数
0
法律状态/事件
撤回 | 权利转移
抱歉,您的浏览器不支持PDF预览,请点击链接下载PDF文件