专利数据库
统计分析
产业报告
专利数据监控
产业人才
行业动态
产业政策法规
维权援助
个人中心
详情
文本
图像
标题
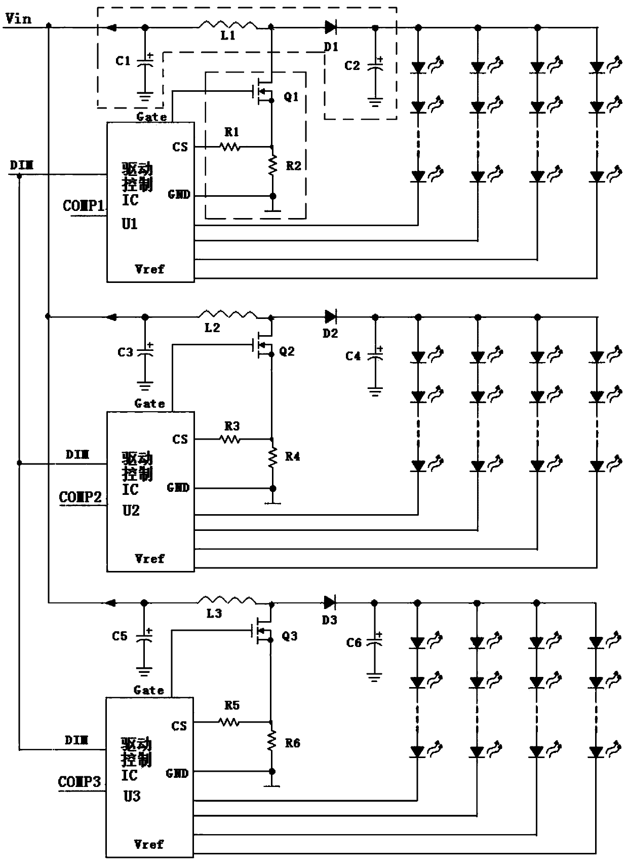
多通道LED背光驱动电路及液晶电视
授权日
2019-05-07
公开(公告)号
CN208834723U
申请日
2018-10-15
公开(公告)日
2019-05-07
当前申请(专利权)人
四川长虹电器股份有限公司
发明人
黄德军
简单同族
CN208834723U
简单同族成员数量
1
简单同族被引用专利总数
0
诉讼案件数
0
法律状态/事件
授权
抱歉,您的浏览器不支持PDF预览,请点击链接下载PDF文件