专利数据库
统计分析
产业报告
专利数据监控
产业人才
行业动态
产业政策法规
维权援助
个人中心
详情
文本
图像
标题
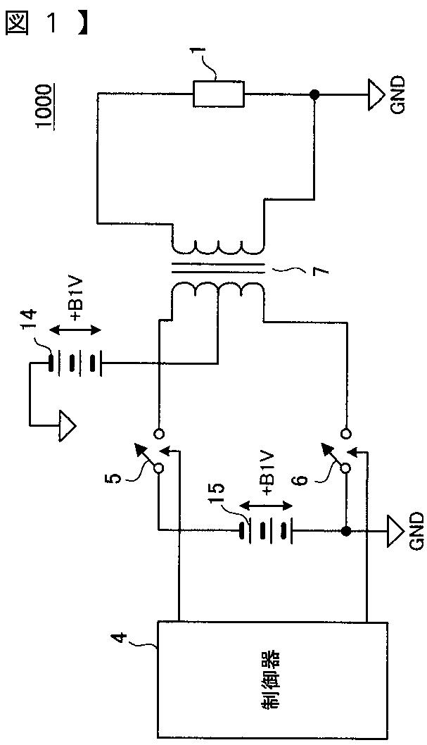
超音波診断装置用送信回路
授权日
2007-01-05
公开(公告)号
JP3897991B2
申请日
2001-04-24
公开(公告)日
2007-03-28
当前申请(专利权)人
松下電器産業株式会社
发明人
西垣 森雄 | 鈴木 隆夫
简单同族
JP2002315748A | JP3897991B2
简单同族成员数量
2
简单同族被引用专利总数
19
诉讼案件数
0
法律状态/事件
未缴年费
抱歉,您的浏览器不支持PDF预览,请点击链接下载PDF文件