专利数据库
统计分析
产业报告
专利数据监控
产业人才
行业动态
产业政策法规
维权援助
个人中心
详情
文本
图像
标题
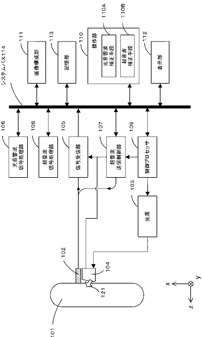
被検体情報取得装置およびその制御方法
授权日
1900-01-01
公开(公告)号
JP2014128319A
申请日
2012-12-28
公开(公告)日
2014-07-10
当前申请(专利权)人
キヤノン株式会社
发明人
大山 賢司 | 阿部 浩
简单同族
CN103908295A | CN103908295B | EP2749227A1 | JP2014128319A | JP2014128319A5 | JP6053512B2 | US20140187903A1
简单同族成员数量
7
简单同族被引用专利总数
18
诉讼案件数
0
法律状态/事件
授权
抱歉,您的浏览器不支持PDF预览,请点击链接下载PDF文件