专利数据库
统计分析
产业报告
专利数据监控
产业人才
行业动态
产业政策法规
维权援助
个人中心
详情
文本
图像
标题
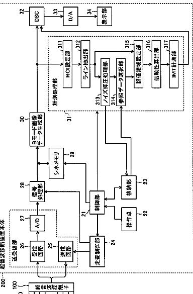
超音波診断装置
授权日
1900-01-01
公开(公告)号
JP2010022565A
申请日
2008-07-18
公开(公告)日
2010-02-04
当前申请(专利权)人
富士フイルム株式会社
发明人
石原 圭大郎
简单同族
JP2010022565A | JP5166154B2
简单同族成员数量
2
简单同族被引用专利总数
25
诉讼案件数
0
法律状态/事件
授权
抱歉,您的浏览器不支持PDF预览,请点击链接下载PDF文件