专利数据库
统计分析
产业报告
专利数据监控
产业人才
行业动态
产业政策法规
维权援助
个人中心
详情
文本
图像
标题
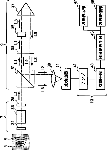
動的変化検出方法、動的変化検出装置及び超音波診断装置
授权日
1900-01-01
公开(公告)号
JP2001330509A
申请日
2000-05-23
公开(公告)日
2001-11-30
当前申请(专利权)人
富士フイルム株式会社
发明人
戸井田 昌宏
简单同族
CN1261759C | CN1325027A | DE60100526D1 | DE60100526T2 | EP1158283A1 | EP1158283B1 | JP2001330509A | JP3903105B2 | KR100774939B1 | KR1020010107583A | US20020009103A1 | US6594290
简单同族成员数量
12
简单同族被引用专利总数
33
诉讼案件数
0
法律状态/事件
未缴年费 | 权利转移
抱歉,您的浏览器不支持PDF预览,请点击链接下载PDF文件