专利数据库
统计分析
产业报告
专利数据监控
产业人才
行业动态
产业政策法规
维权援助
个人中心
详情
文本
图像
标题
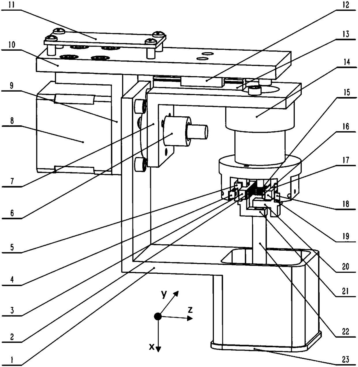
一种超声皮肤三维扫描探头
授权日
1900-01-01
公开(公告)号
CN107822661A
申请日
2017-12-07
公开(公告)日
2018-03-23
当前申请(专利权)人
中国医学科学院生物医学工程研究所
发明人
杨军 | 王韬 | 王文赛 | 王延群 | 周盛 | 王晓春 | 宋学东
简单同族
CN107822661A
简单同族成员数量
1
简单同族被引用专利总数
0
诉讼案件数
0
法律状态/事件
实质审查
抱歉,您的浏览器不支持PDF预览,请点击链接下载PDF文件