专利数据库
统计分析
产业报告
专利数据监控
产业人才
行业动态
产业政策法规
维权援助
个人中心
详情
文本
图像
标题
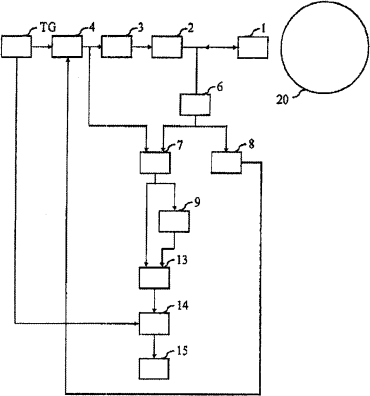
超声波诊断装置
授权日
1900-01-01
公开(公告)号
CN101662988A
申请日
2008-04-22
公开(公告)日
2010-03-03
当前申请(专利权)人
柯尼卡美能达株式会社
发明人
福喜多博 | 福元刚智
简单同族
CN101662988A | CN101662988B | EP2133026A1 | EP2133026A4 | EP2133026B1 | JP5404390B2 | JPWO2008132835A1 | US20100121193A1 | WO2008132835A1
简单同族成员数量
9
简单同族被引用专利总数
32
诉讼案件数
0
法律状态/事件
授权 | 权利转移
抱歉,您的浏览器不支持PDF预览,请点击链接下载PDF文件