专利数据库
统计分析
产业报告
专利数据监控
产业人才
行业动态
产业政策法规
维权援助
个人中心
详情
文本
图像
标题
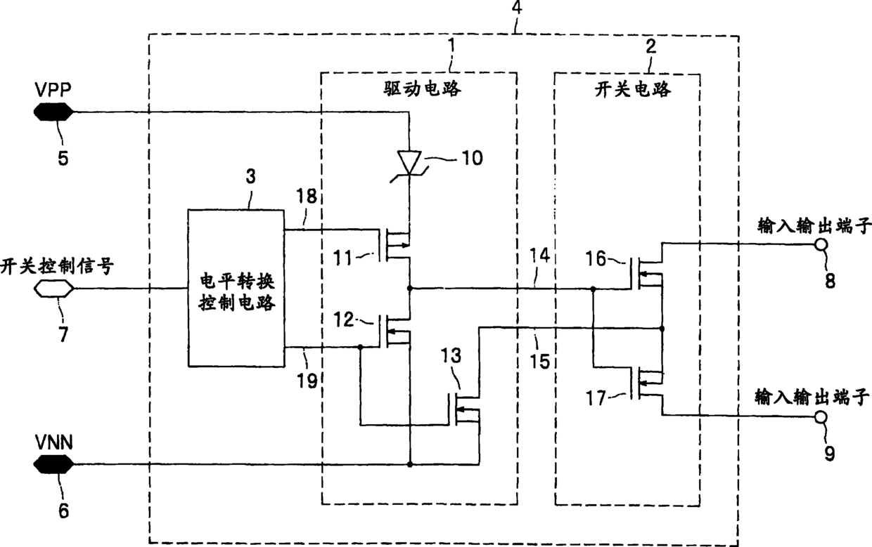
半导体装置、以及使用该半导体装置的超声波诊断装置
授权日
2015-02-25
公开(公告)号
CN102545860B
申请日
2011-10-28
公开(公告)日
2015-02-25
当前申请(专利权)人
株式会社日立功率半导体
发明人
原贤志 | 坂野顺一
简单同族
CN102545860A | CN102545860B | EP2448120A1 | EP2448120B1 | JP2012095168A | JP5485108B2 | US20120108963A1 | US9190992
简单同族成员数量
8
简单同族被引用专利总数
32
诉讼案件数
0
法律状态/事件
授权 | 权利转移
抱歉,您的浏览器不支持PDF预览,请点击链接下载PDF文件