专利数据库
统计分析
产业报告
专利数据监控
产业人才
行业动态
产业政策法规
维权援助
个人中心
详情
文本
图像
标题
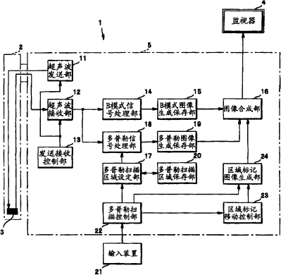
超声波诊断装置
授权日
1900-01-01
公开(公告)号
CN101214160A
申请日
2007-12-27
公开(公告)日
2008-07-09
当前申请(专利权)人
奥林巴斯株式会社
发明人
香西繁范
简单同族
CN101214160A | CN101214160B | CN201160859Y | JP2008183396A | JP4309936B2 | KR1020080064738A
简单同族成员数量
6
简单同族被引用专利总数
18
诉讼案件数
0
法律状态/事件
授权 | 权利转移
抱歉,您的浏览器不支持PDF预览,请点击链接下载PDF文件