专利数据库
统计分析
产业报告
专利数据监控
产业人才
行业动态
产业政策法规
维权援助
个人中心
详情
文本
图像
标题
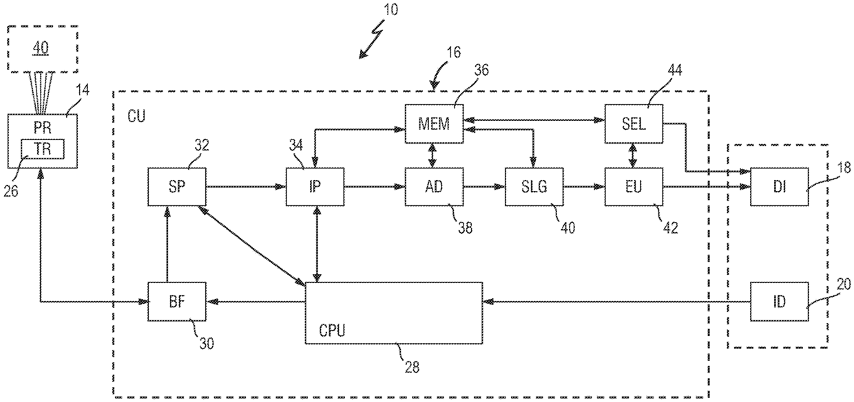
3D超声成像系统
授权日
1900-01-01
公开(公告)号
CN105263420A
申请日
2014-03-20
公开(公告)日
2016-01-20
当前申请(专利权)人
皇家飞利浦有限公司
发明人
I·韦希特尔施特勒 | J·威斯
简单同族
BR112015025074A2 | CN105263420A | CN105263420B | EP2994053A1 | EP2994053B1 | JP2016514564A | JP2016514564A5 | JP6396420B2 | RU2015147174A | RU2657855C2 | US20160038121A1 | WO2014162232A1
简单同族成员数量
12
简单同族被引用专利总数
18
诉讼案件数
0
法律状态/事件
授权
抱歉,您的浏览器不支持PDF预览,请点击链接下载PDF文件