专利数据库
统计分析
产业报告
专利数据监控
产业人才
行业动态
产业政策法规
维权援助
个人中心
详情
文本
图像
标题
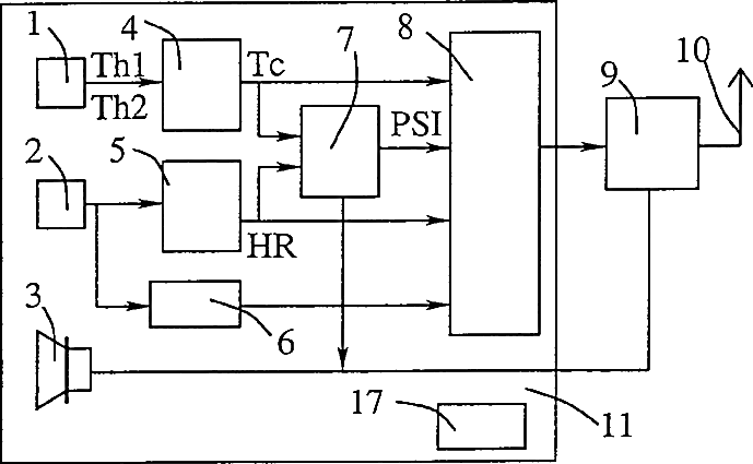
Combination sensor for physiological parameters
授权日
2011-02-08
公开(公告)号
US7883463
申请日
2004-09-28
公开(公告)日
2011-02-08
当前申请(专利权)人
DRAGER SAFETY AG & CO. KGAA
发明人
SATTLER, FRANK | KOCH, JOCHIM | MEYER, JORG-UWE | DOWSON, MICHAEL | MCWILLIAMS, ROBIN
简单同族
DE102004032812A1 | DE102004032812B4 | GB0424072D0 | GB2408105A | GB2408105B | US20050101872A1 | US7883463
简单同族成员数量
7
简单同族被引用专利总数
172
诉讼案件数
0
法律状态/事件
授权 | 权利转移
抱歉,您的浏览器不支持PDF预览,请点击链接下载PDF文件