专利数据库
统计分析
产业报告
专利数据监控
产业人才
行业动态
产业政策法规
维权援助
个人中心
详情
文本
图像
标题
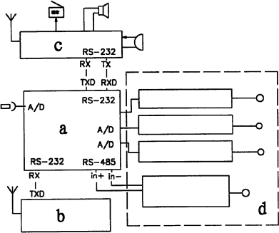
人体电生理动态参数定位采集传输装置
授权日
2006-09-13
公开(公告)号
CN2815274Y
申请日
2005-06-22
公开(公告)日
2006-09-13
当前申请(专利权)人
泰安市中心医院
发明人
单经政 | 张福勇 | 王桂明 | 张秀婷 | 于新艳
简单同族
CN2815274Y
简单同族成员数量
1
简单同族被引用专利总数
0
诉讼案件数
0
法律状态/事件
未缴年费
抱歉,您的浏览器不支持PDF预览,请点击链接下载PDF文件