专利数据库
统计分析
产业报告
专利数据监控
产业人才
行业动态
产业政策法规
维权援助
个人中心
详情
文本
图像
标题
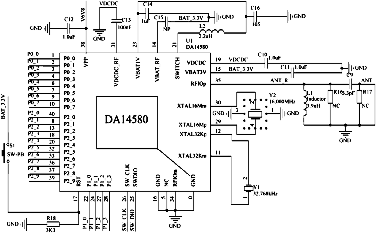
一种智能手环
授权日
1900-01-01
公开(公告)号
CN107970032A
申请日
2016-10-25
公开(公告)日
2018-05-01
当前申请(专利权)人
四川理工学院
发明人
彭 | 吴兆强
简单同族
CN107970032A
简单同族成员数量
1
简单同族被引用专利总数
0
诉讼案件数
0
法律状态/事件
实质审查
抱歉,您的浏览器不支持PDF预览,请点击链接下载PDF文件