专利数据库
统计分析
产业报告
专利数据监控
产业人才
行业动态
产业政策法规
维权援助
个人中心
详情
文本
图像
标题
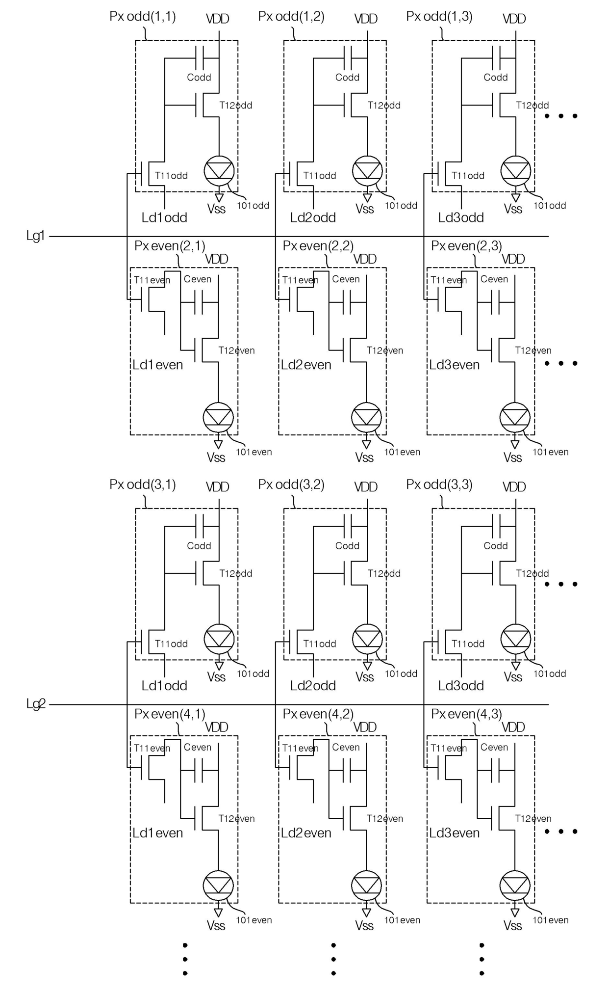
발명의 명칭 표시장치 및 표시방법
授权日
1900-01-01
公开(公告)号
KR1020140140291A
申请日
2013-05-29
公开(公告)日
2014-12-09
当前申请(专利权)人
네오뷰코오롱 주식회사
发明人
JEON SUNG GON
简单同族
KR1020140140291A
简单同族成员数量
1
简单同族被引用专利总数
0
诉讼案件数
0
法律状态/事件
撤回
抱歉,您的浏览器不支持PDF预览,请点击链接下载PDF文件