专利数据库
统计分析
产业报告
专利数据监控
产业人才
行业动态
产业政策法规
维权援助
个人中心
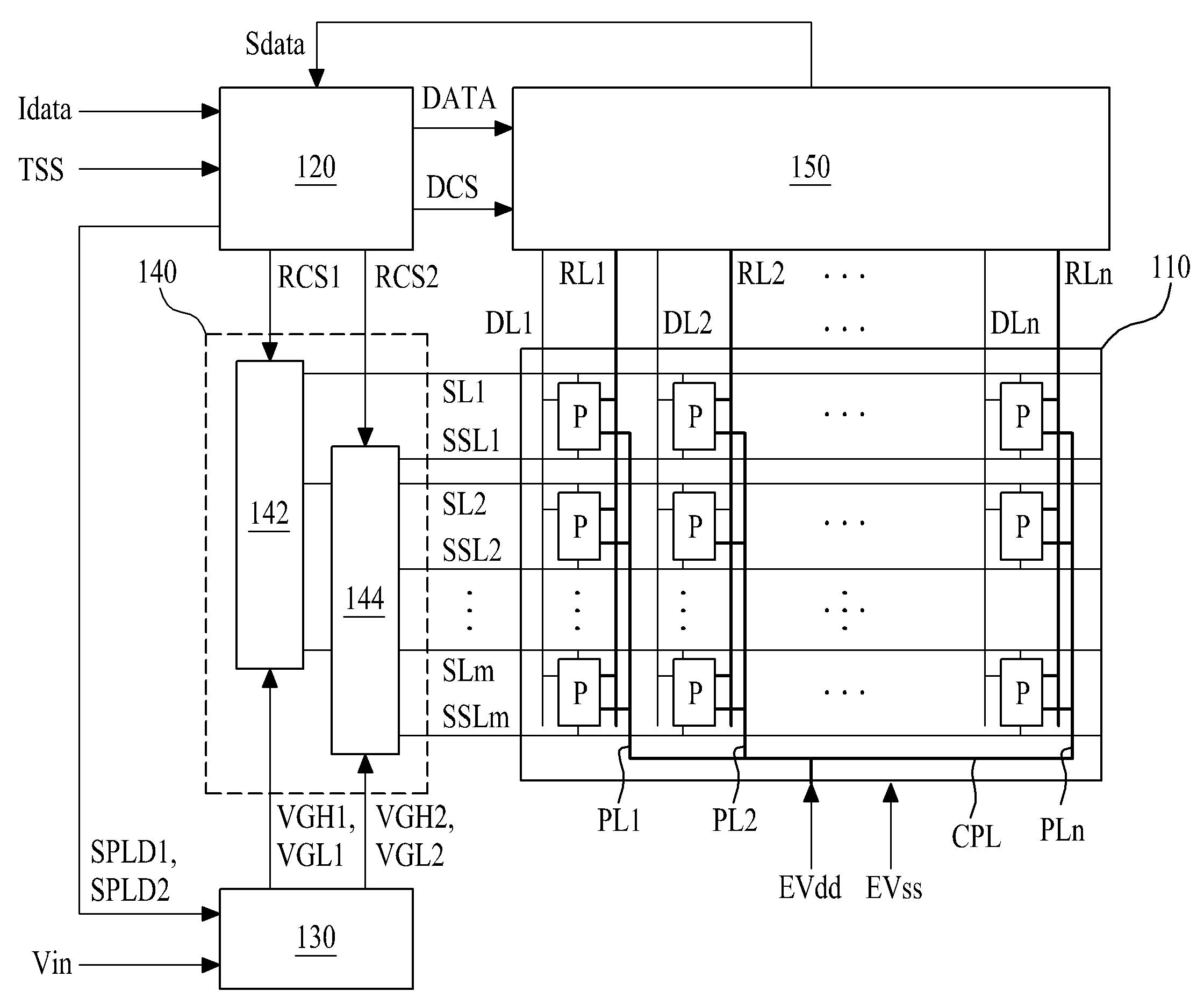
详情
文本
图像
标题
발명의 명칭 유기 발광 표시 장치
授权日
1900-01-01
公开(公告)号
KR1020150061548A
申请日
2014-06-30
公开(公告)日
2015-06-04
当前申请(专利权)人
엘지디스플레이 주식회사
发明人
박광모 | 배성준 | 양두석 | 윤중선 | 강지현 | 신초롱 | 허준영
简单同族
KR1020150061548A | KR102120124B1
简单同族成员数量
2
简单同族被引用专利总数
0
诉讼案件数
0
法律状态/事件
授权
抱歉,您的浏览器不支持PDF预览,请点击链接下载PDF文件