专利数据库
统计分析
产业报告
专利数据监控
产业人才
行业动态
产业政策法规
维权援助
个人中心
详情
文本
图像
标题
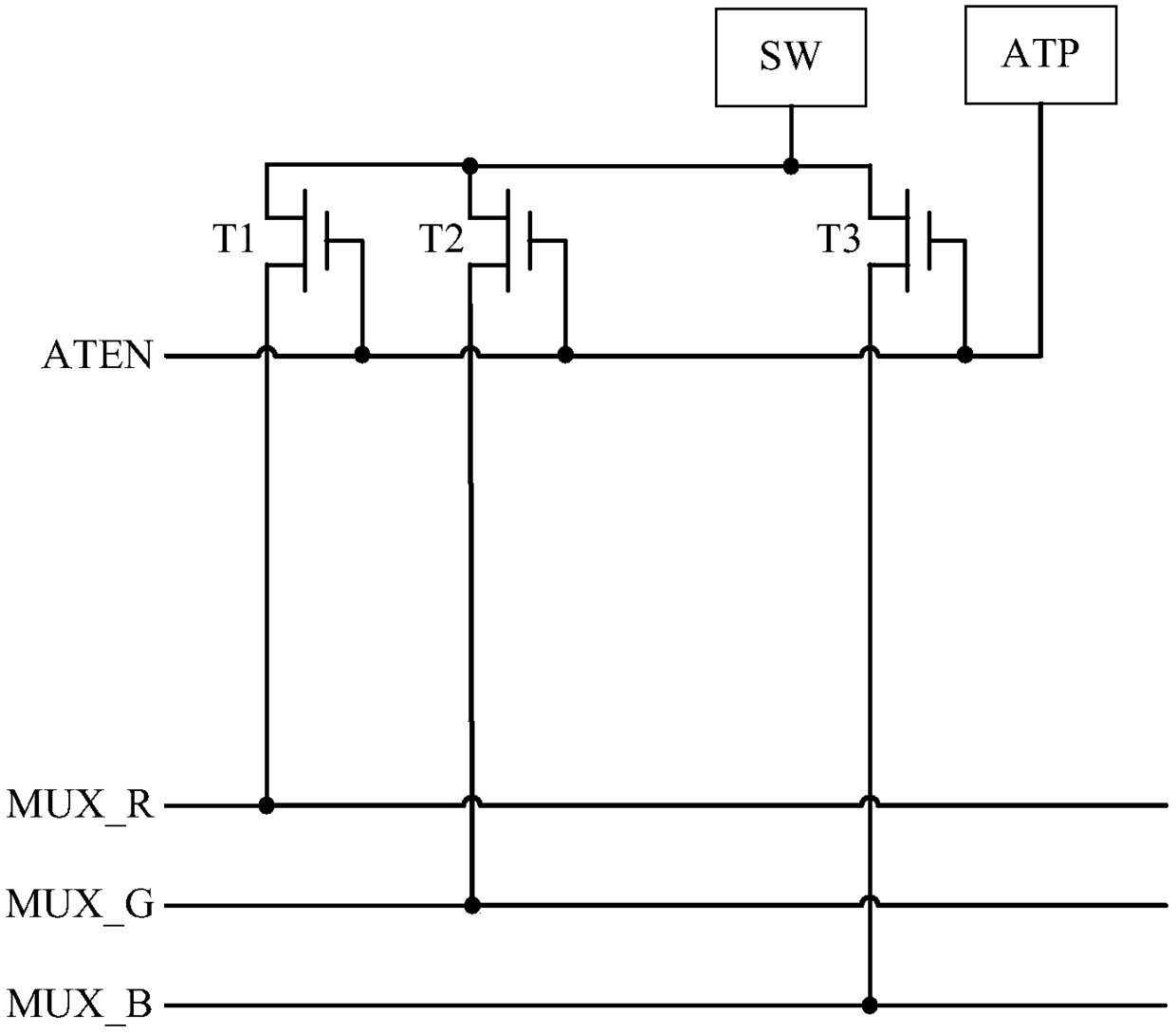
阵列测试电路以及液晶显示基板
授权日
1900-01-01
公开(公告)号
CN106200055A
申请日
2016-07-25
公开(公告)日
2016-12-07
当前申请(专利权)人
武汉华星光电技术有限公司
发明人
洪光辉 | 龚强 | 陈归
简单同族
CN106200055A
简单同族成员数量
1
简单同族被引用专利总数
0
诉讼案件数
0
法律状态/事件
驳回
抱歉,您的浏览器不支持PDF预览,请点击链接下载PDF文件