专利数据库
统计分析
产业报告
专利数据监控
产业人才
行业动态
产业政策法规
维权援助
个人中心
详情
文本
图像
标题
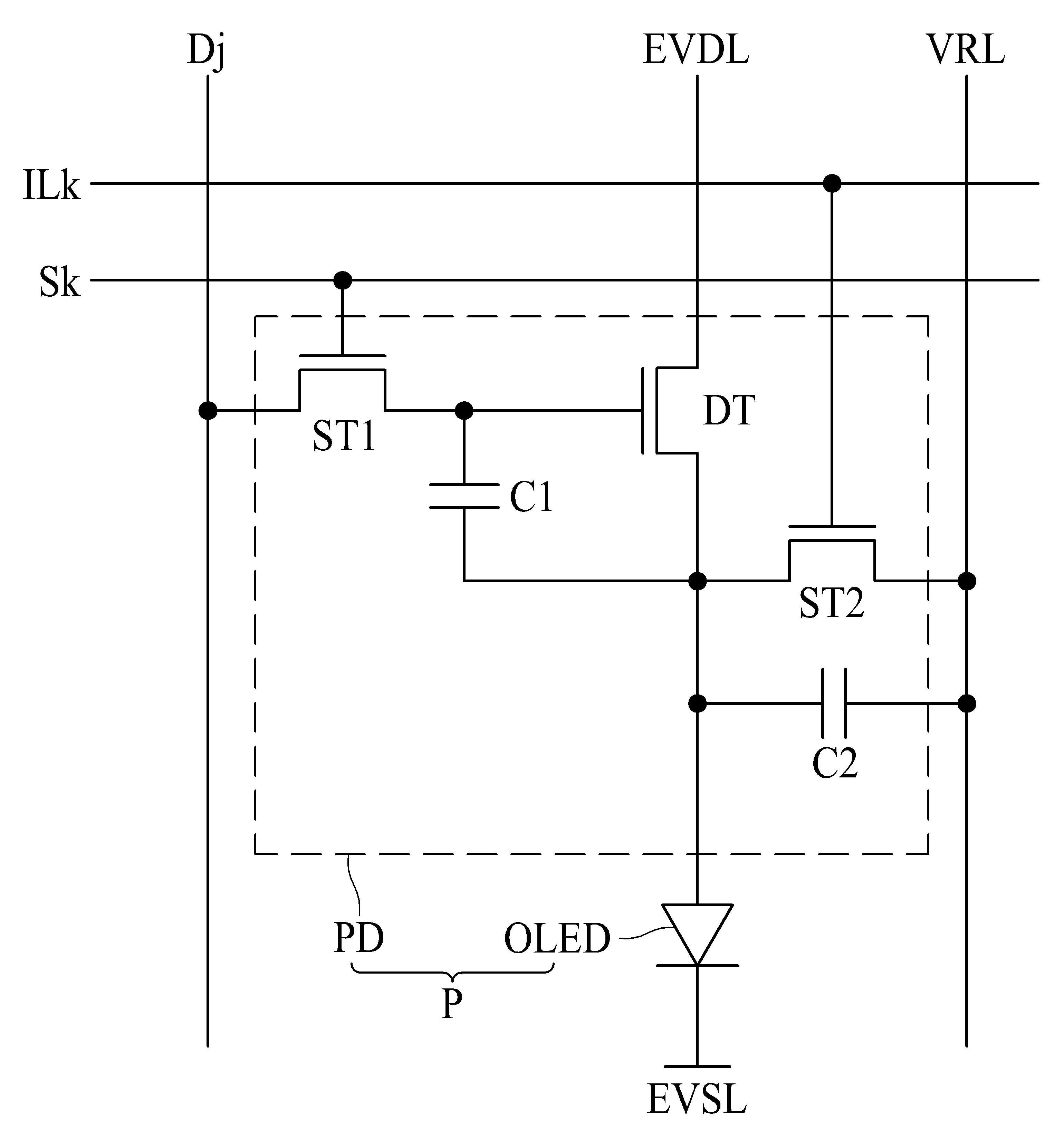
발명의 명칭 유기발광표시장치
授权日
1900-01-01
公开(公告)号
KR1020160094457A
申请日
2015-01-30
公开(公告)日
2016-08-10
当前申请(专利权)人
엘지디스플레이 주식회사
发明人
박해진 | 박혜민
简单同族
KR1020160094457A
简单同族成员数量
1
简单同族被引用专利总数
0
诉讼案件数
0
法律状态/事件
实质审查
抱歉,您的浏览器不支持PDF预览,请点击链接下载PDF文件