专利数据库
统计分析
产业报告
专利数据监控
产业人才
行业动态
产业政策法规
维权援助
个人中心
详情
文本
图像
标题
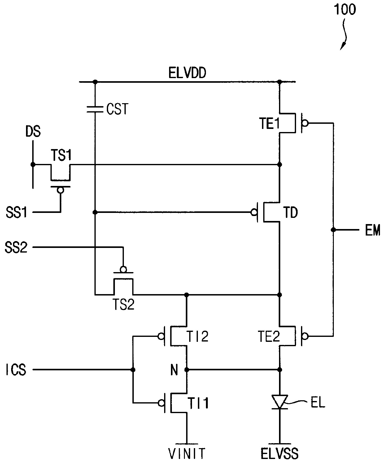
유기 발광 표시 장치의 화소 및 이를 포함하는 유기 발광 표시 장치
授权日
1900-01-01
公开(公告)号
KR1020190083021A
申请日
2018-01-02
公开(公告)日
2019-07-11
当前申请(专利权)人
삼성디스플레이 주식회사
发明人
남희 | 이명호
简单同族
KR1020190083021A | US20190206320A1
简单同族成员数量
2
简单同族被引用专利总数
0
诉讼案件数
0
法律状态/事件
实质审查
抱歉,您的浏览器不支持PDF预览,请点击链接下载PDF文件