专利数据库
统计分析
产业报告
专利数据监控
产业人才
行业动态
产业政策法规
维权援助
个人中心
详情
文本
图像
标题
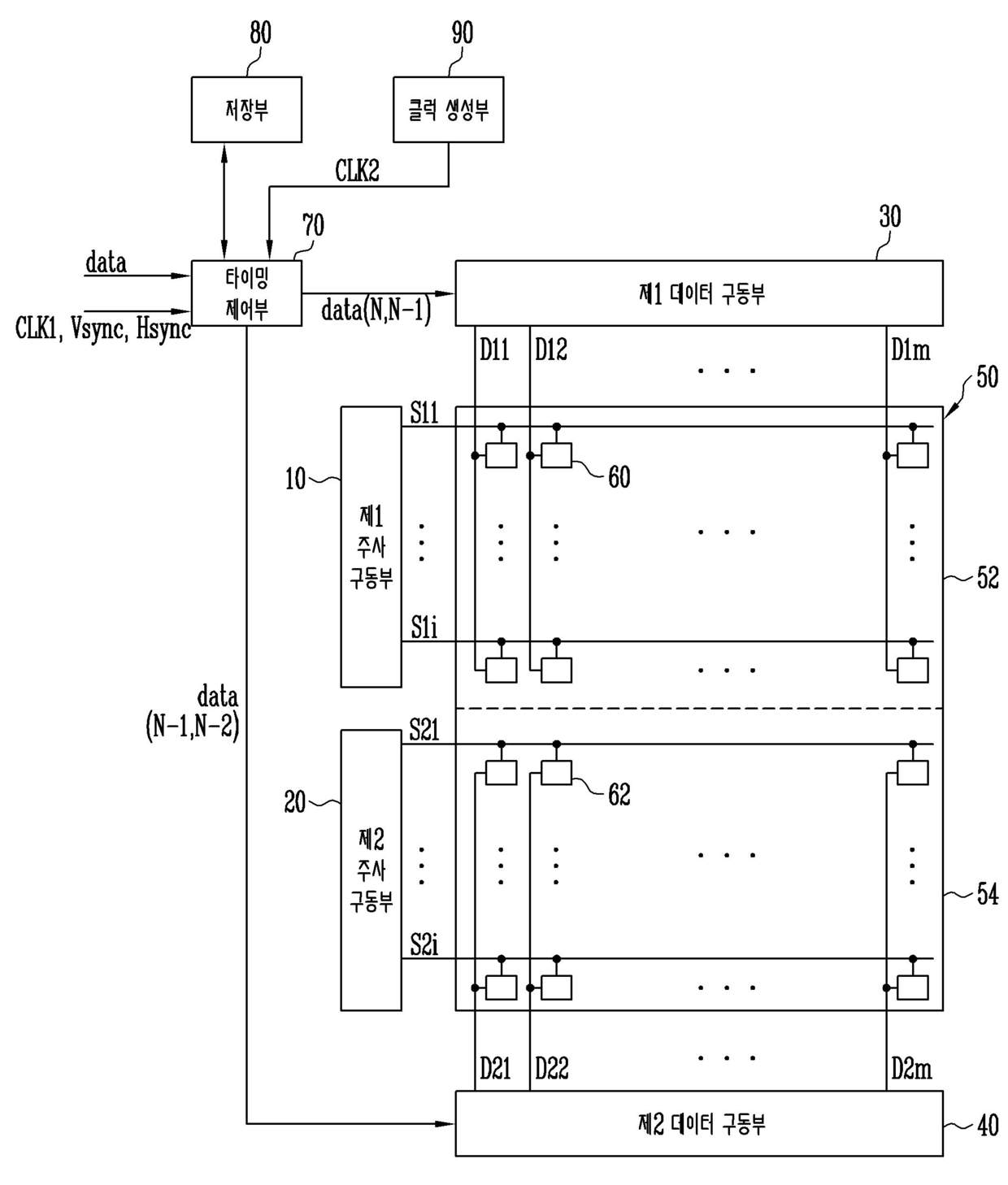
발명의 명칭 유기전계발광 표시장치
授权日
1900-01-01
公开(公告)号
KR1020150041308A
申请日
2013-10-08
公开(公告)日
2015-04-16
当前申请(专利权)人
삼성디스플레이 주식회사
发明人
이재훈 | 김정택 | 박동원 | 임경호
简单同族
KR1020150041308A
简单同族成员数量
1
简单同族被引用专利总数
0
诉讼案件数
0
法律状态/事件
撤回
抱歉,您的浏览器不支持PDF预览,请点击链接下载PDF文件