专利数据库
统计分析
产业报告
专利数据监控
产业人才
行业动态
产业政策法规
维权援助
个人中心
详情
文本
图像
标题
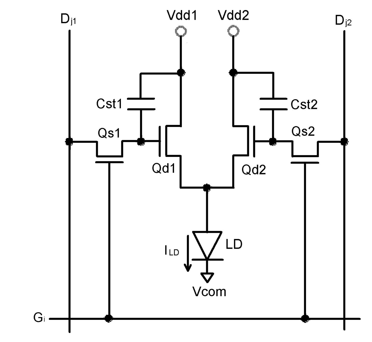
표시 장치 및 그 구동 방법
授权日
1900-01-01
公开(公告)号
KR1020070075778A
申请日
2006-01-16
公开(公告)日
2007-07-24
当前申请(专利权)人
삼성전자주식회사
发明人
신경주 | 박철우 | 채종철
简单同族
KR101143009B1 | KR1020070075778A | US20070164938A1 | US8564509
简单同族成员数量
4
简单同族被引用专利总数
81
诉讼案件数
0
法律状态/事件
授权 | 权利转移
抱歉,您的浏览器不支持PDF预览,请点击链接下载PDF文件