专利数据库
统计分析
产业报告
专利数据监控
产业人才
行业动态
产业政策法规
维权援助
个人中心
详情
文本
图像
标题
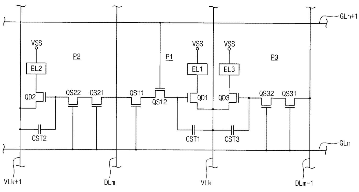
발명의 명칭 표시 패널과, 이를 구비한 표시 장치 및 구동 방법
授权日
2012-11-30
公开(公告)号
KR101209289B1
申请日
2005-04-07
公开(公告)日
2012-12-10
当前申请(专利权)人
삼성디스플레이 주식회사
发明人
주인수 | 고춘석 | 정광철
简单同族
CN100585681C | CN1845229A | JP2006293293A | KR101209289B1 | KR1020060106308A | TW200636656A | TWI386884B | US20060227081A1 | US20100123713A1 | US7675061 | US7915616
简单同族成员数量
11
简单同族被引用专利总数
54
诉讼案件数
0
法律状态/事件
授权
抱歉,您的浏览器不支持PDF预览,请点击链接下载PDF文件