专利数据库
统计分析
产业报告
专利数据监控
产业人才
行业动态
产业政策法规
维权援助
个人中心
详情
文本
图像
标题
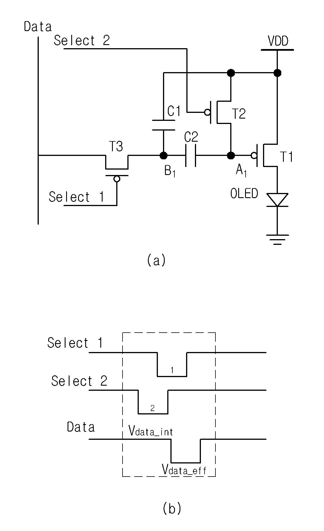
유기 발광표시장치의 구동회로
授权日
1900-01-01
公开(公告)号
KR1020060010988A
申请日
2004-07-29
公开(公告)日
2006-02-03
当前申请(专利权)人
엘지디스플레이 주식회사
发明人
하용민 | 김중철 | 허진
简单同族
KR101103868B1 | KR1020060010988A | US20060022605A1 | US7646366
简单同族成员数量
4
简单同族被引用专利总数
46
诉讼案件数
0
法律状态/事件
授权
抱歉,您的浏览器不支持PDF预览,请点击链接下载PDF文件