专利数据库
统计分析
产业报告
专利数据监控
产业人才
行业动态
产业政策法规
维权援助
个人中心
详情
文本
图像
标题
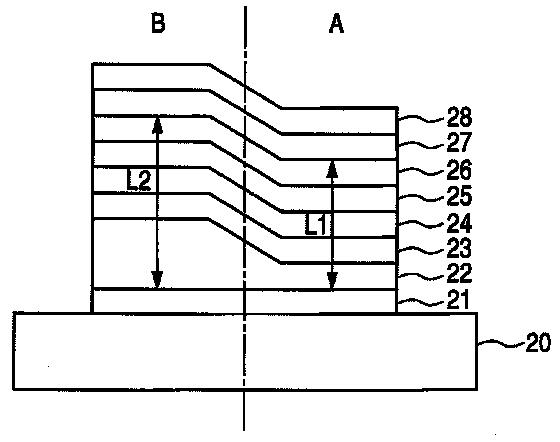
으로서 하기 구조식으로 표시되는 화합물 I을, 52㎚의 두께로 형성하였다.
授权日
2011-08-08
公开(公告)号
KR101056679B1
申请日
2009-02-27
公开(公告)日
2011-08-12
当前申请(专利权)人
캐논 가부시끼가이샤
发明人
HASEGAWA, TOSHINORI
简单同族
CN101521262A | CN101521262B | JP2009231274A | JP2009231274A5 | KR101056679B1 | KR1020090092731A | US20090212692A1 | US7915812
简单同族成员数量
8
简单同族被引用专利总数
52
诉讼案件数
0
法律状态/事件
未缴年费
抱歉,您的浏览器不支持PDF预览,请点击链接下载PDF文件