专利数据库
统计分析
产业报告
专利数据监控
产业人才
行业动态
产业政策法规
维权援助
个人中心
详情
文本
图像
标题
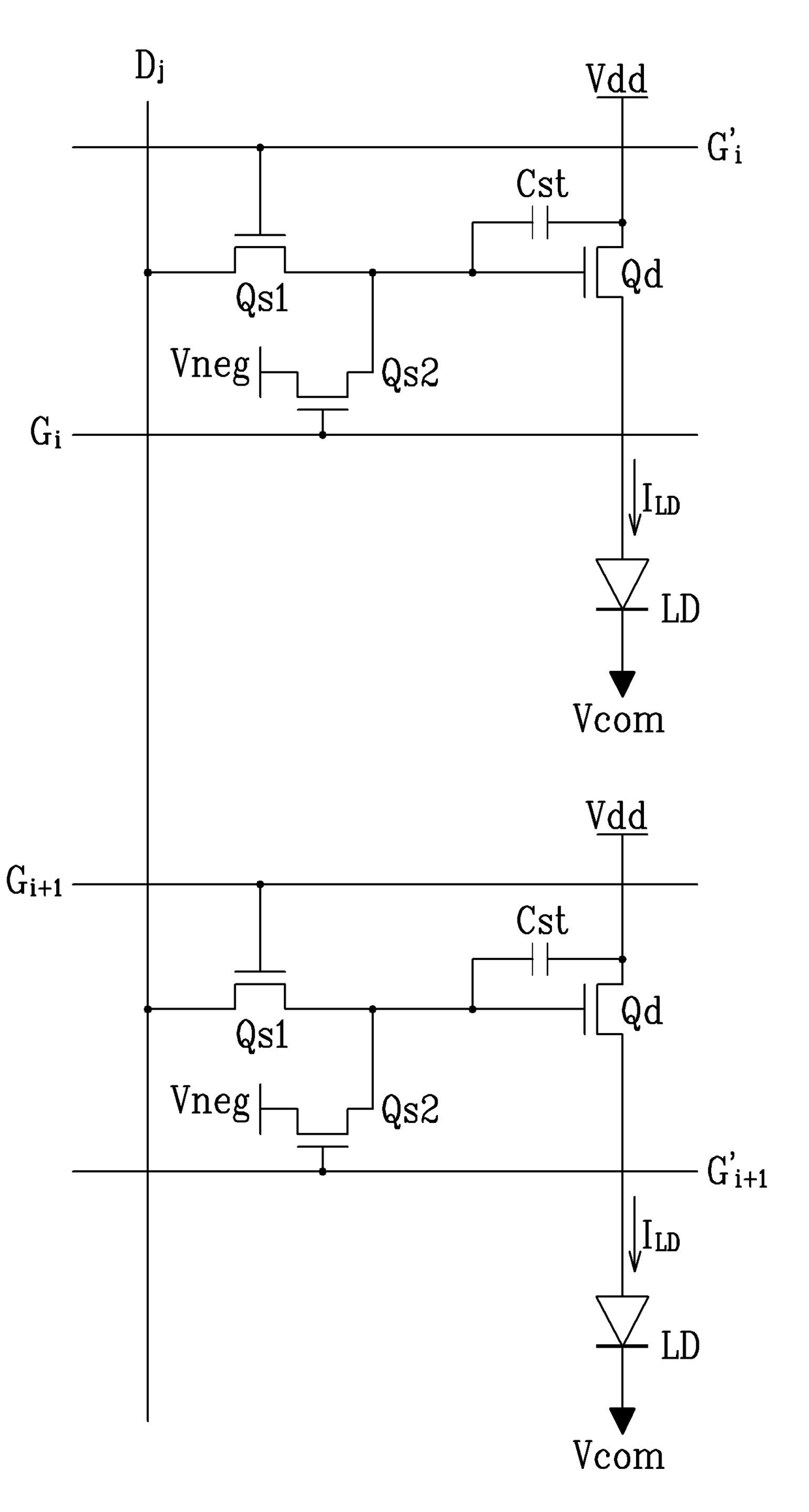
표시 장치 및 그 구동 방법
授权日
1900-01-01
公开(公告)号
KR1020070037147A
申请日
2005-09-30
公开(公告)日
2007-04-04
当前申请(专利权)人
삼성디스플레이 주식회사
发明人
성시덕 | 김남덕 | 고춘석 | 박경태
简单同族
CN1941050A | CN1941050B | JP2007102215A | JP2007102215A5 | JP5054348B2 | KR101209055B1 | KR1020070037147A | TW200717425A | TWI411996B | US20070075938A1 | US7742025
简单同族成员数量
11
简单同族被引用专利总数
52
诉讼案件数
0
法律状态/事件
授权
抱歉,您的浏览器不支持PDF预览,请点击链接下载PDF文件