专利数据库
统计分析
产业报告
专利数据监控
产业人才
行业动态
产业政策法规
维权援助
个人中心
详情
文本
图像
标题
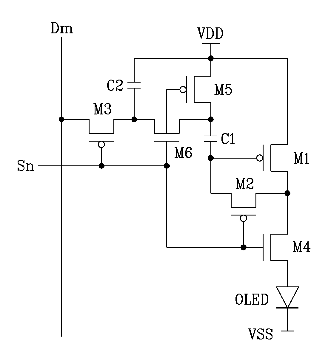
화상 표시 장치 및 그 구동 방법
授权日
2005-12-06
公开(公告)号
KR100536235B1
申请日
2003-11-24
公开(公告)日
2005-12-12
当前申请(专利权)人
삼성에스디아이 주식회사
发明人
JUNG,JINTAE
简单同族
CN100365689C | CN1658263A | JP2005157283A | JP4113164B2 | KR100536235B1 | KR1020050049834A | US20050140605A1 | US7446740
简单同族成员数量
8
简单同族被引用专利总数
74
诉讼案件数
0
法律状态/事件
授权 | 权利转移
抱歉,您的浏览器不支持PDF预览,请点击链接下载PDF文件