专利数据库
统计分析
产业报告
专利数据监控
产业人才
行业动态
产业政策法规
维权援助
个人中心
详情
文本
图像
标题
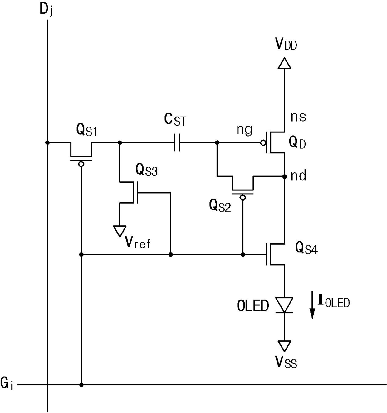
표시 장치 및 그 구동 방법
授权日
1900-01-01
公开(公告)号
KR1020060090393A
申请日
2005-02-07
公开(公告)日
2006-08-10
当前申请(专利权)人
삼성전자주식회사
发明人
박기찬 | 맹호석 | 김일곤
简单同族
CN100533530C | CN1819000A | JP2006221172A | JP4990538B2 | KR101152119B1 | KR1020060090393A | TW200632817A | TWI415047B | US20060176251A1 | US7924247
简单同族成员数量
10
简单同族被引用专利总数
50
诉讼案件数
0
法律状态/事件
授权 | 权利转移
抱歉,您的浏览器不支持PDF预览,请点击链接下载PDF文件