专利数据库
统计分析
产业报告
专利数据监控
产业人才
行业动态
产业政策法规
维权援助
个人中心
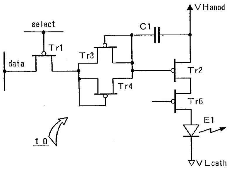
详情
文本
图像
标题
액티브형 발광 표시 장치
授权日
1900-01-01
公开(公告)号
KR1020040034439A
申请日
2003-10-14
公开(公告)日
2004-04-28
当前申请(专利权)人
도호꾸 파이오니어 가부시끼가이샤
发明人
OHATA,HIROSHI
简单同族
EP1411489A2 | EP1411489A3 | JP2004138773A | KR1020040034439A | US20040080475A1 | US7187350
简单同族成员数量
6
简单同族被引用专利总数
51
诉讼案件数
0
法律状态/事件
撤回
抱歉,您的浏览器不支持PDF预览,请点击链接下载PDF文件