专利数据库
统计分析
产业报告
专利数据监控
产业人才
行业动态
产业政策法规
维权援助
个人中心
详情
文本
图像
标题
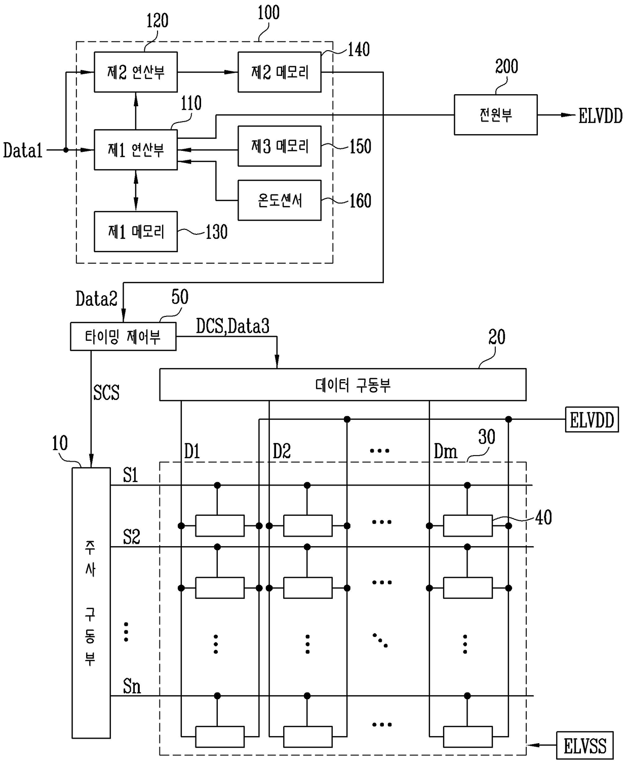
유기전계발광 표시장치
授权日
1900-01-01
公开(公告)号
KR1020090058788A
申请日
2007-12-05
公开(公告)日
2009-06-10
当前申请(专利权)人
삼성모바일디스플레이주식회사
发明人
김도익
简单同族
CN101452668A | CN101452668B | EP2068299A2 | EP2068299A3 | JP2009141302A | JP5026293B2 | KR100902219B1 | KR1020090058788A | TW200935386A | TWI415069B | US20090147032A1 | US8791884
简单同族成员数量
12
简单同族被引用专利总数
106
诉讼案件数
0
法律状态/事件
授权 | 权利转移
抱歉,您的浏览器不支持PDF预览,请点击链接下载PDF文件