专利数据库
统计分析
产业报告
专利数据监控
产业人才
行业动态
产业政策法规
维权援助
个人中心
详情
文本
图像
标题
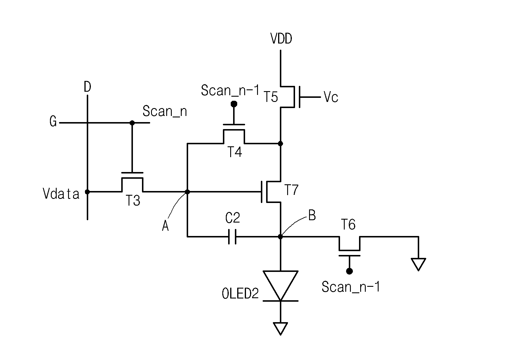
유기 전계발광 표시장치
授权日
1900-01-01
公开(公告)号
KR1020060113194A
申请日
2005-04-29
公开(公告)日
2006-11-02
当前申请(专利权)人
하이디스 테크놀로지 주식회사
发明人
안성준 | 변창수
简单同族
CN100595820C | CN1855198A | JP2006309149A | KR100719924B1 | KR1020060113194A | TW200638306A | US20060244688A1 | US7561128
简单同族成员数量
8
简单同族被引用专利总数
62
诉讼案件数
0
法律状态/事件
授权
抱歉,您的浏览器不支持PDF预览,请点击链接下载PDF文件