专利数据库
统计分析
产业报告
专利数据监控
产业人才
行业动态
产业政策法规
维权援助
个人中心
详情
文本
图像
标题
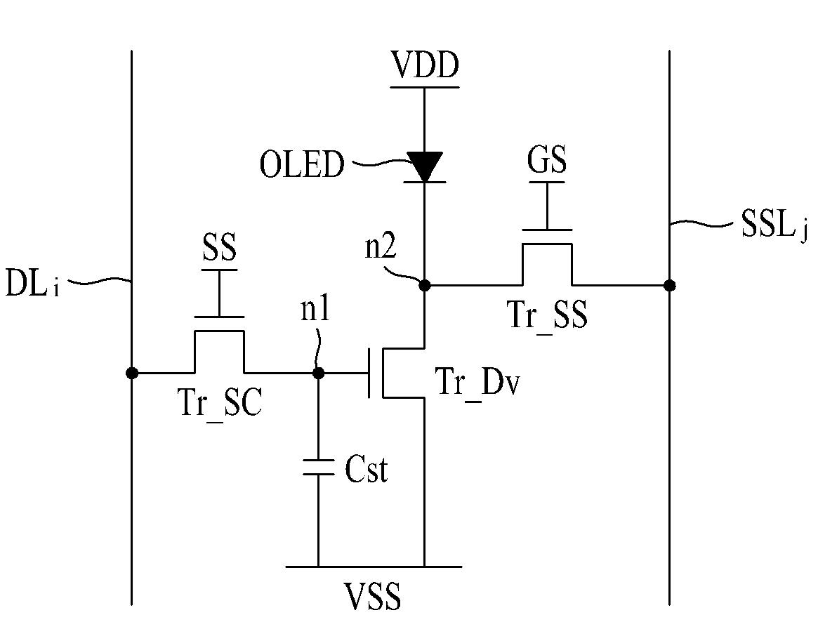
유기발광다이오드표시장치
授权日
1900-01-01
公开(公告)号
KR1020100047505A
申请日
2008-10-29
公开(公告)日
2010-05-10
当前申请(专利权)人
엘지디스플레이 주식회사
发明人
배한진 | 김승태
简单同族
KR101451584B1 | KR1020100047505A
简单同族成员数量
2
简单同族被引用专利总数
54
诉讼案件数
0
法律状态/事件
授权
抱歉,您的浏览器不支持PDF预览,请点击链接下载PDF文件