专利数据库
统计分析
产业报告
专利数据监控
产业人才
行业动态
产业政策法规
维权援助
个人中心
详情
文本
图像
标题
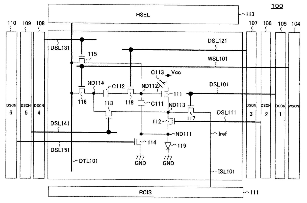
화소 회로, 표시 장치, 및 화소 회로의 구동 방법
授权日
1900-01-01
公开(公告)号
KR1020060120083A
申请日
2004-11-10
公开(公告)日
2006-11-24
当前申请(专利权)人
소니 주식회사
发明人
우찌노,가쯔히데 | 야마시따,준이찌 | 야마모또,데쯔로
简单同族
CN100416639C | CN1879141A | JP2005141163A | JP2005141163A5 | JP4131227B2 | KR101065950B1 | KR1020060120083A | TW200527378A | TWI244633B | US20070052644A1 | US7355572 | WO2005045797A1
简单同族成员数量
12
简单同族被引用专利总数
52
诉讼案件数
0
法律状态/事件
未缴年费
抱歉,您的浏览器不支持PDF预览,请点击链接下载PDF文件