专利数据库
统计分析
产业报告
专利数据监控
产业人才
行业动态
产业政策法规
维权援助
个人中心
详情
文本
图像
标题
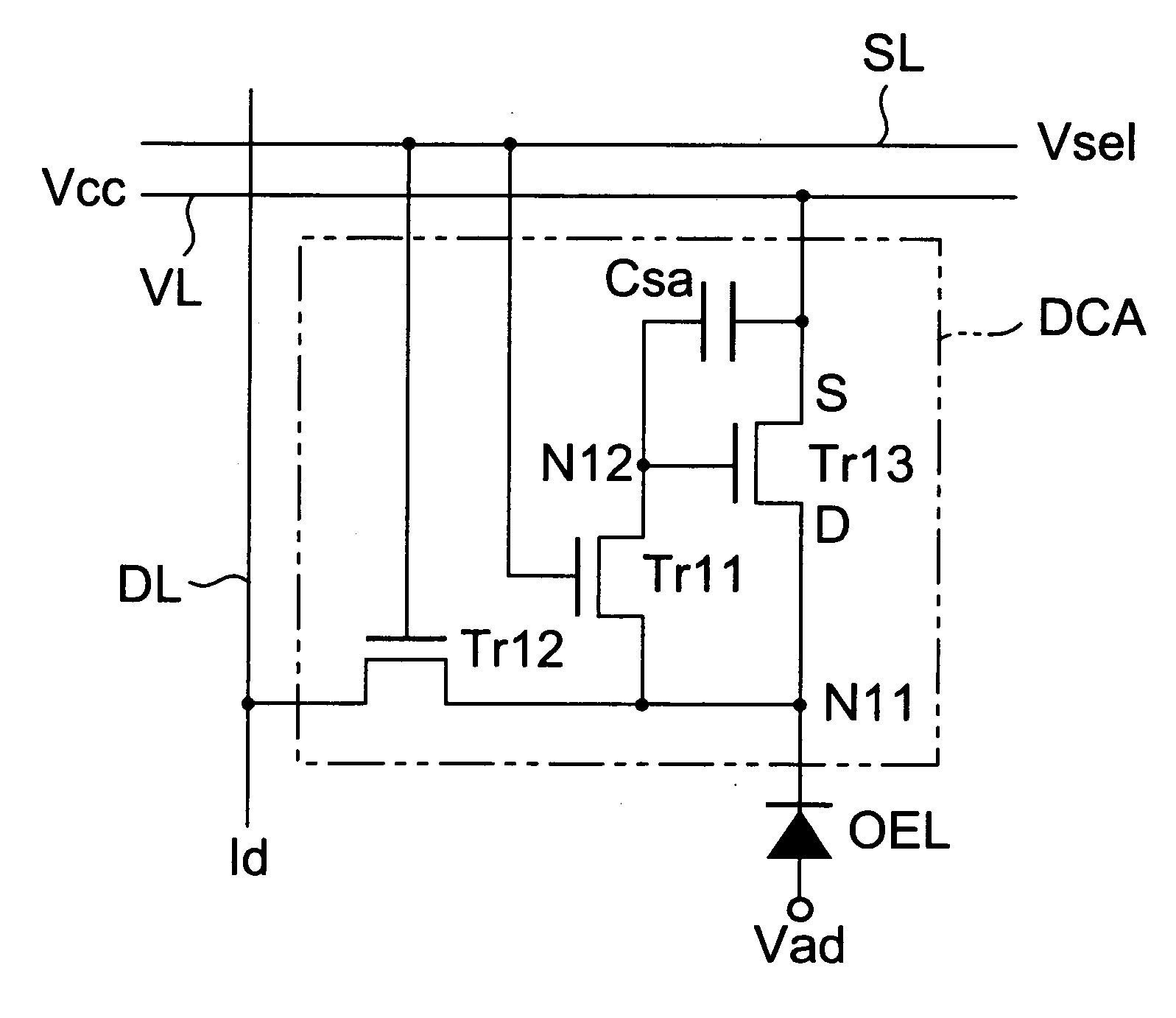
표시장치 및 그 구동방법
授权日
1900-01-01
公开(公告)号
KR1020040078912A
申请日
2004-03-05
公开(公告)日
2004-09-13
当前申请(专利权)人
가시오게산키 가부시키가이샤
发明人
시라사키도모유키 | 사토가즈히토 | 오자키츠요시 | 다케이마나부
简单同族
CN1331108C | CN1527273A | JP2004271643A | JP2004271643A5 | JP3925435B2 | KR100544092B1 | KR1020040078912A | TW200424992A | TWI263959B | US20040189627A1 | US7499006
简单同族成员数量
11
简单同族被引用专利总数
130
诉讼案件数
0
法律状态/事件
授权
抱歉,您的浏览器不支持PDF预览,请点击链接下载PDF文件