专利数据库
统计分析
产业报告
专利数据监控
产业人才
行业动态
产业政策法规
维权援助
个人中心
详情
文本
图像
标题
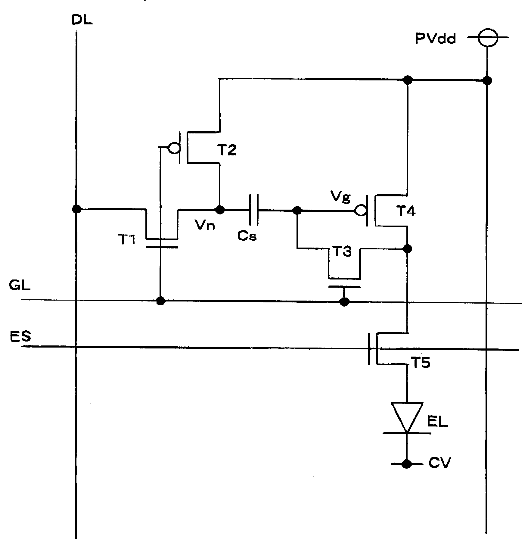
유기 EL 패널용 화소 회로 및 그 구동 방법
授权日
1900-01-01
公开(公告)号
KR1020060047168A
申请日
2005-04-11
公开(公告)日
2006-05-18
当前申请(专利权)人
산요덴키가부시키가이샤
发明人
IKEDA, KYOJI
简单同族
CN100593185C | CN1684558A | KR100649513B1 | KR1020060047168A | TW200540774A | TWI297144B | US20050243036A1 | US7339562
简单同族成员数量
8
简单同族被引用专利总数
95
诉讼案件数
0
法律状态/事件
授权
抱歉,您的浏览器不支持PDF预览,请点击链接下载PDF文件