专利数据库
统计分析
产业报告
专利数据监控
产业人才
行业动态
产业政策法规
维权援助
个人中心
详情
文本
图像
标题
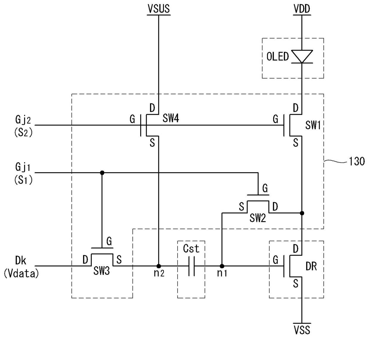
유기발광다이오드 표시장치와 그 구동방법
授权日
1900-01-01
公开(公告)号
KR1020090089740A
申请日
2008-02-19
公开(公告)日
2009-08-24
当前申请(专利权)人
엘지디스플레이 주식회사
发明人
이상근 | 남우진 | 황순재
简单同族
CN101515435A | CN101515435B | KR101361981B1 | KR1020090089740A | US20090207105A1 | US8159421
简单同族成员数量
6
简单同族被引用专利总数
48
诉讼案件数
0
法律状态/事件
授权
抱歉,您的浏览器不支持PDF预览,请点击链接下载PDF文件