专利数据库
统计分析
产业报告
专利数据监控
产业人才
行业动态
产业政策法规
维权援助
个人中心
详情
文本
图像
标题
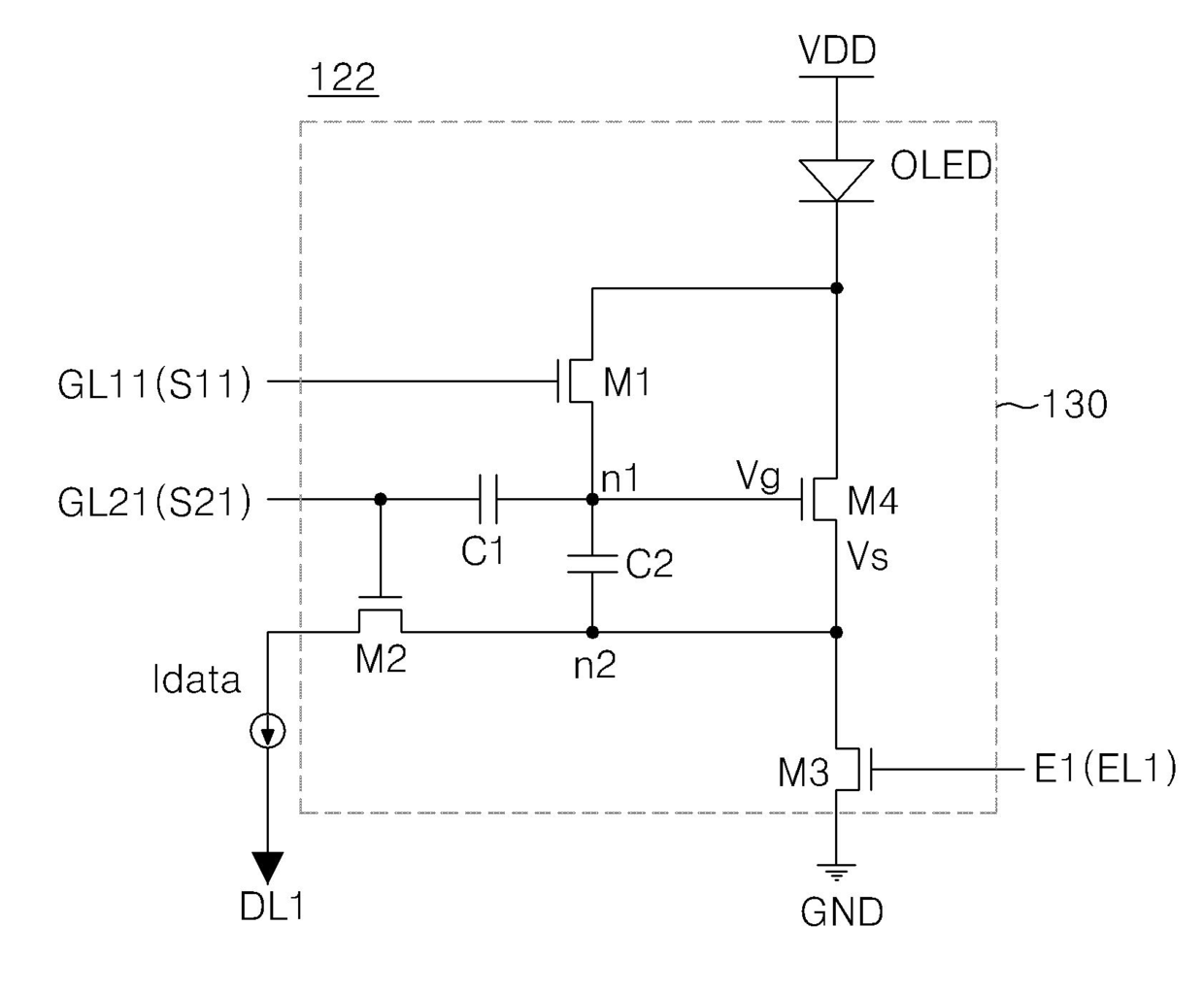
유기발광다이오드 표시소자 및 그 구동방법
授权日
2012-11-09
公开(公告)号
KR101202040B1
申请日
2006-06-30
公开(公告)日
2012-11-16
当前申请(专利权)人
엘지디스플레이 주식회사
发明人
유준석
简单同族
CN100570689C | CN101097680A | JP2008015451A | JP4477617B2 | KR101202040B1 | KR1020080002011A | US20080001857A1 | US7889160
简单同族成员数量
8
简单同族被引用专利总数
74
诉讼案件数
0
法律状态/事件
授权
抱歉,您的浏览器不支持PDF预览,请点击链接下载PDF文件