专利数据库
统计分析
产业报告
专利数据监控
产业人才
行业动态
产业政策法规
维权援助
个人中心
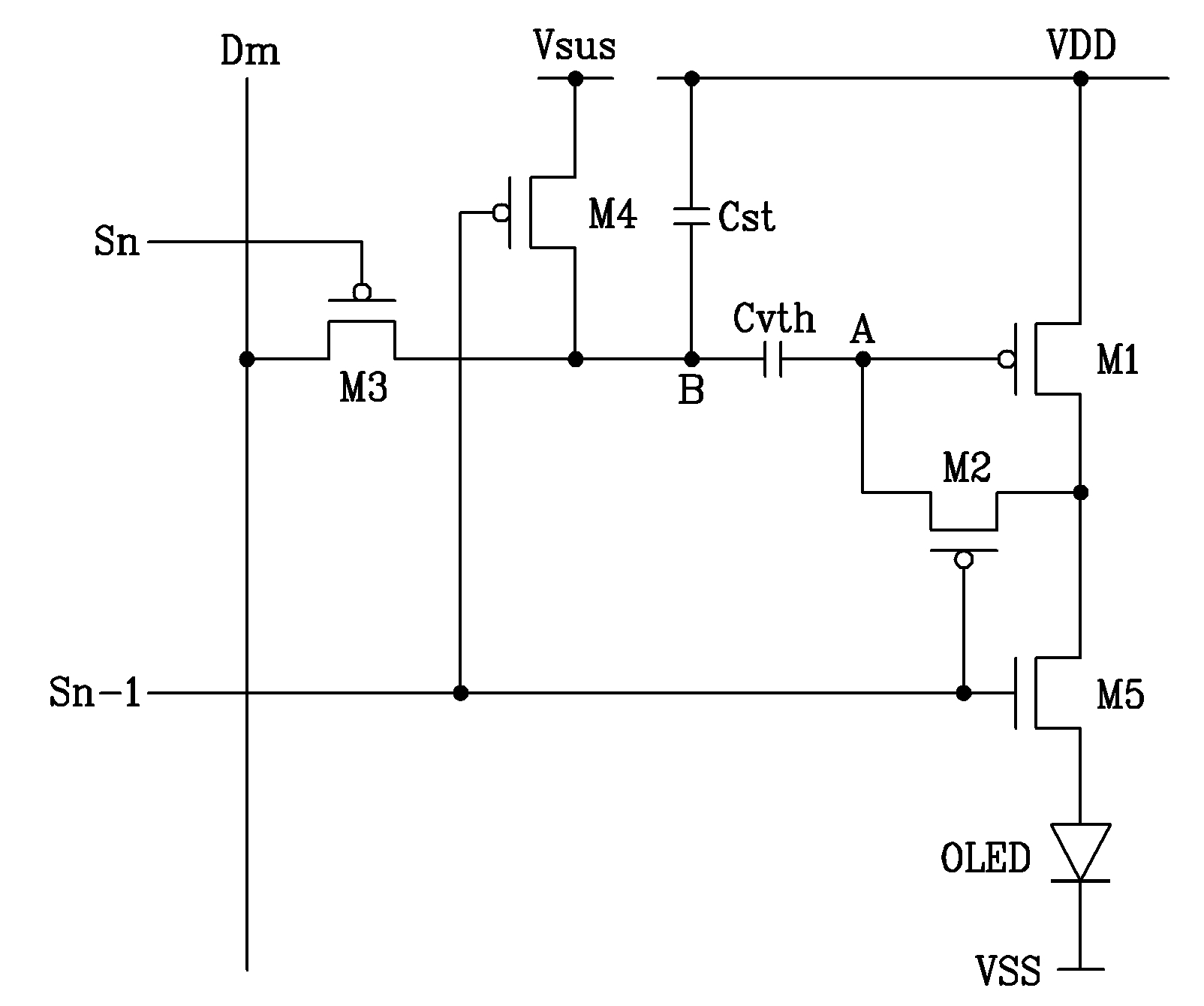
详情
文本
图像
标题
발광 표시 장치 및 그 표시 패널과 구동 방법
授权日
1900-01-01
公开(公告)号
KR1020050090861A
申请日
2004-03-10
公开(公告)日
2005-09-14
当前申请(专利权)人
삼성에스디아이 주식회사
发明人
김양완 | 오춘열
简单同族
AT537533T | CN100369095C | CN1677470A | EP1585100A1 | EP1585100B1 | JP2005258407A | JP4396848B2 | KR100560479B1 | KR1020050090861A | US20050200575A1 | US7382340
简单同族成员数量
11
简单同族被引用专利总数
262
诉讼案件数
0
法律状态/事件
授权 | 权利转移
抱歉,您的浏览器不支持PDF预览,请点击链接下载PDF文件