专利数据库
统计分析
产业报告
专利数据监控
产业人才
行业动态
产业政策法规
维权援助
个人中心
详情
文本
图像
标题
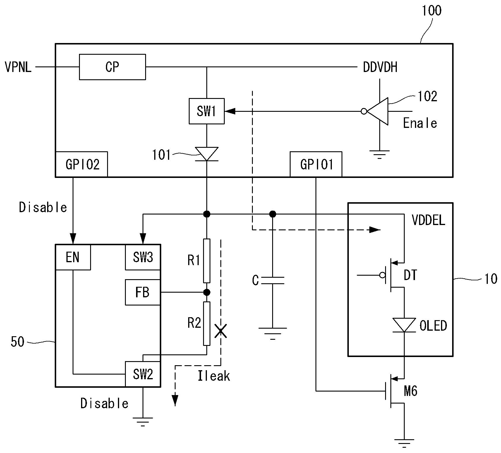
발명의 명칭 유기발광다이오드 표시소자와 그 저전력 구동방법
授权日
2013-10-23
公开(公告)号
KR101323390B1
申请日
2010-09-20
公开(公告)日
2013-10-29
当前申请(专利权)人
엘지디스플레이 주식회사
发明人
이현재
简单同族
CN102411898A | CN102411898B | DE102011081498A1 | DE102011081498B4 | KR101323390B1 | KR1020120030771A | TW201220279A | TWI444974B | US20120069059A1 | US8698854
简单同族成员数量
10
简单同族被引用专利总数
53
诉讼案件数
0
法律状态/事件
授权
抱歉,您的浏览器不支持PDF预览,请点击链接下载PDF文件