专利数据库
统计分析
产业报告
专利数据监控
产业人才
行业动态
产业政策法规
维权援助
个人中心
详情
文本
图像
标题
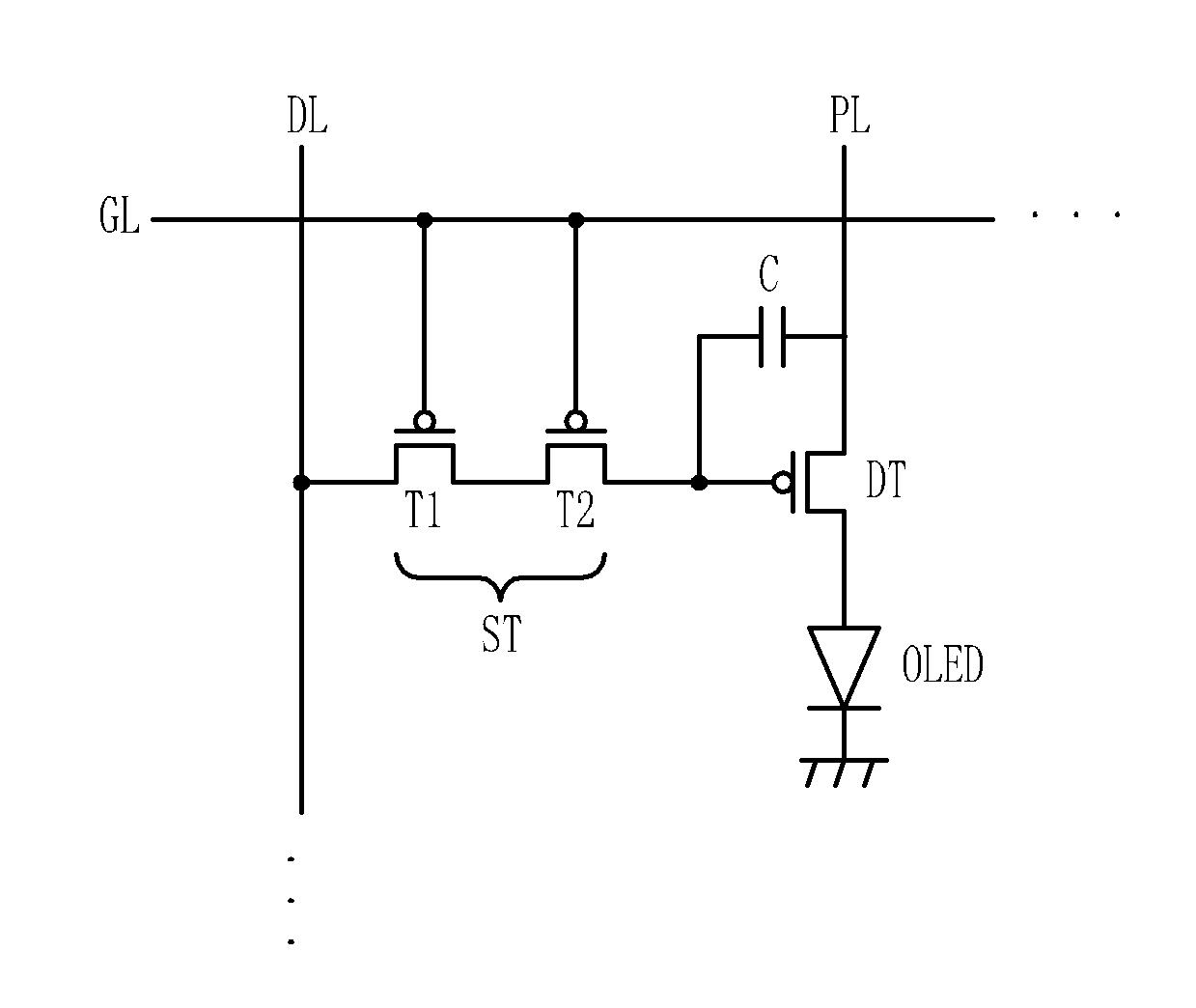
유기발광표시장치
授权日
2009-05-08
公开(公告)号
KR100897902B1
申请日
2008-01-03
公开(公告)日
2009-05-18
当前申请(专利权)人
고려대학교 산학협력단
发明人
주병권 | 권재홍 | 정진욱 | 이경수 | 서정훈 | 최진환 | 신상일
简单同族
KR100897902B1
简单同族成员数量
1
简单同族被引用专利总数
0
诉讼案件数
0
法律状态/事件
未缴年费 | 权利转移
抱歉,您的浏览器不支持PDF预览,请点击链接下载PDF文件