专利数据库
统计分析
产业报告
专利数据监控
产业人才
行业动态
产业政策法规
维权援助
个人中心
详情
文本
图像
标题
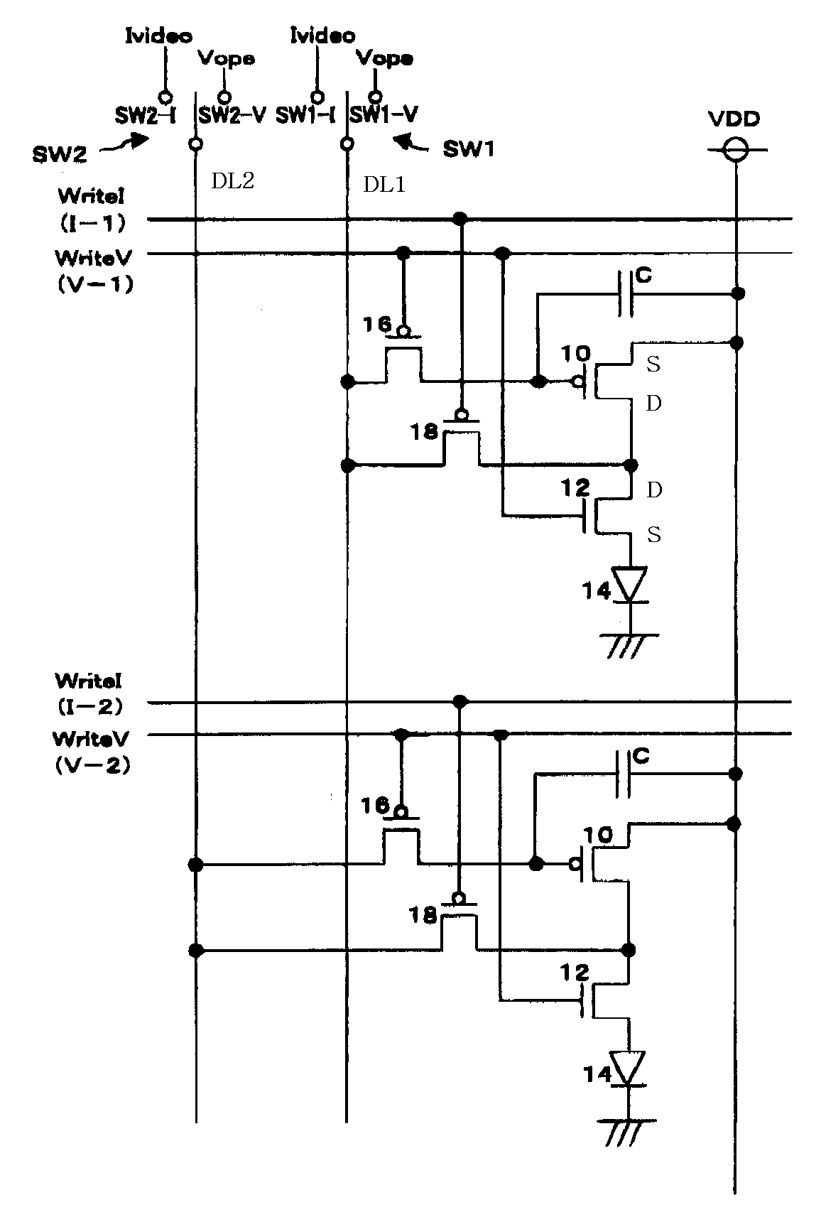
발광 디스플레이, 그 구동방법, 일렉트로루미네센스 표시회로, 및 일렉트로루미네센스 디스플레이
授权日
2006-08-03
公开(公告)号
KR100611293B1
申请日
2004-03-31
公开(公告)日
2006-08-10
当前申请(专利权)人
산요덴키가부시키가이샤
发明人
MATSUMOTO,SHOICHIRO
简单同族
CN1541033A | CN1541033B | EP1465146A2 | EP1465146A3 | JP2004318093A | KR100611293B1 | KR1020040088371A | TW200421389A | TW200520600A | TWI233138B | TWI308351B | US20040233141A1 | US7397447
简单同族成员数量
13
简单同族被引用专利总数
80
诉讼案件数
0
法律状态/事件
放弃
抱歉,您的浏览器不支持PDF预览,请点击链接下载PDF文件