专利数据库
统计分析
产业报告
专利数据监控
产业人才
行业动态
产业政策法规
维权援助
个人中心
详情
文本
图像
标题
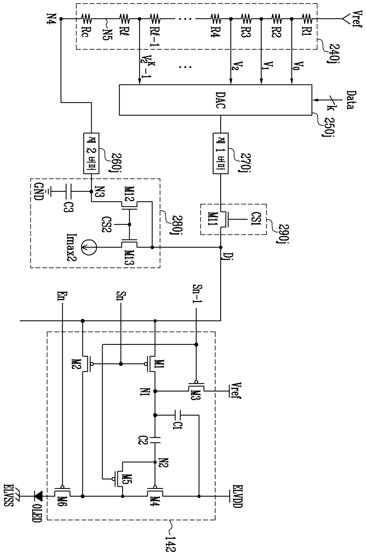
데이터 구동회로와 이를 이용한 발광 표시장치 및 그의구동방법
授权日
2007-03-28
公开(公告)号
KR100703500B1
申请日
2005-08-01
公开(公告)日
2007-04-03
当前申请(专利权)人
삼성에스디아이 주식회사 | 한양대학교 산학협력단
发明人
정보용 | 류도형 | 권오경
简单同族
CN100481181C | CN1909041A | EP1750246A2 | EP1750246A3 | EP1750246B1 | JP2007041586A | JP4790526B2 | KR100703500B1 | KR1020070015829A | US20070024543A1 | US7911427
简单同族成员数量
11
简单同族被引用专利总数
88
诉讼案件数
0
法律状态/事件
授权 | 权利转移
抱歉,您的浏览器不支持PDF预览,请点击链接下载PDF文件