专利数据库
统计分析
产业报告
专利数据监控
产业人才
行业动态
产业政策法规
维权援助
个人中心
详情
文本
图像
标题
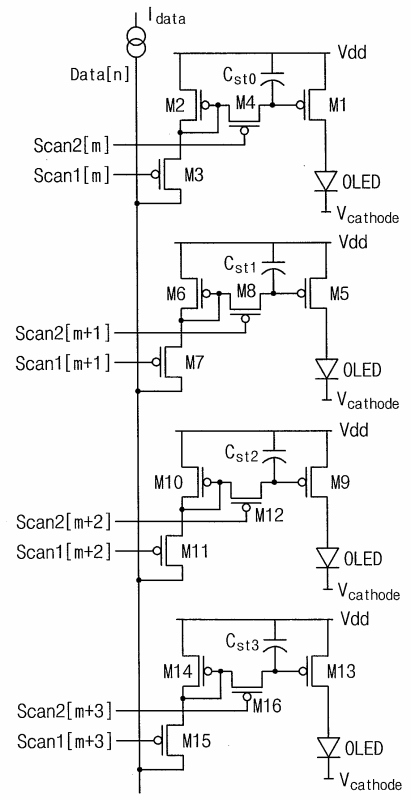
화상 표시 장치
授权日
2004-05-12
公开(公告)号
KR100432651B1
申请日
2002-06-18
公开(公告)日
2004-05-22
当前申请(专利权)人
삼성에스디아이 주식회사
发明人
SHIN,DONGYONG
简单同族
CN1329882C | CN1495699A | JP2004029803A | KR100432651B1 | KR1020030096900A | US20030231152A1 | US20060152451A1 | US7042426
简单同族成员数量
8
简单同族被引用专利总数
176
诉讼案件数
0
法律状态/事件
放弃
抱歉,您的浏览器不支持PDF预览,请点击链接下载PDF文件