专利数据库
统计分析
产业报告
专利数据监控
产业人才
行业动态
产业政策法规
维权援助
个人中心
详情
文本
图像
标题
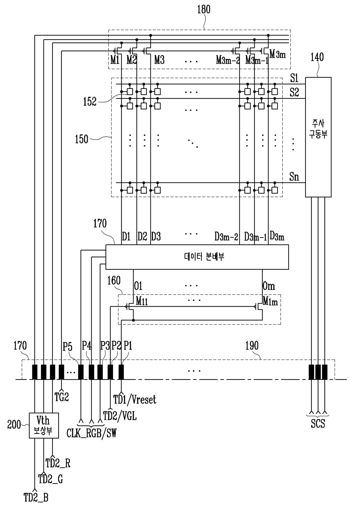
원장검사가 가능한 유기전계발광 표시장치의 모기판 및 그의 원장검사방법
授权日
1900-01-01
公开(公告)号
KR1020110037638A
申请日
2009-10-07
公开(公告)日
2011-04-13
当前申请(专利权)人
삼성모바일디스플레이주식회사
发明人
김광민 | 곽원규 | 가지현 | 한삼일
简单同族
JP2011082130A | JP5031053B2 | KR101064403B1 | KR1020110037638A | TW201120852A | TWI546792B | US20110080173A1 | US8614591
简单同族成员数量
8
简单同族被引用专利总数
74
诉讼案件数
0
法律状态/事件
授权 | 权利转移
抱歉,您的浏览器不支持PDF预览,请点击链接下载PDF文件