专利数据库
统计分析
产业报告
专利数据监控
产业人才
行业动态
产业政策法规
维权援助
个人中心
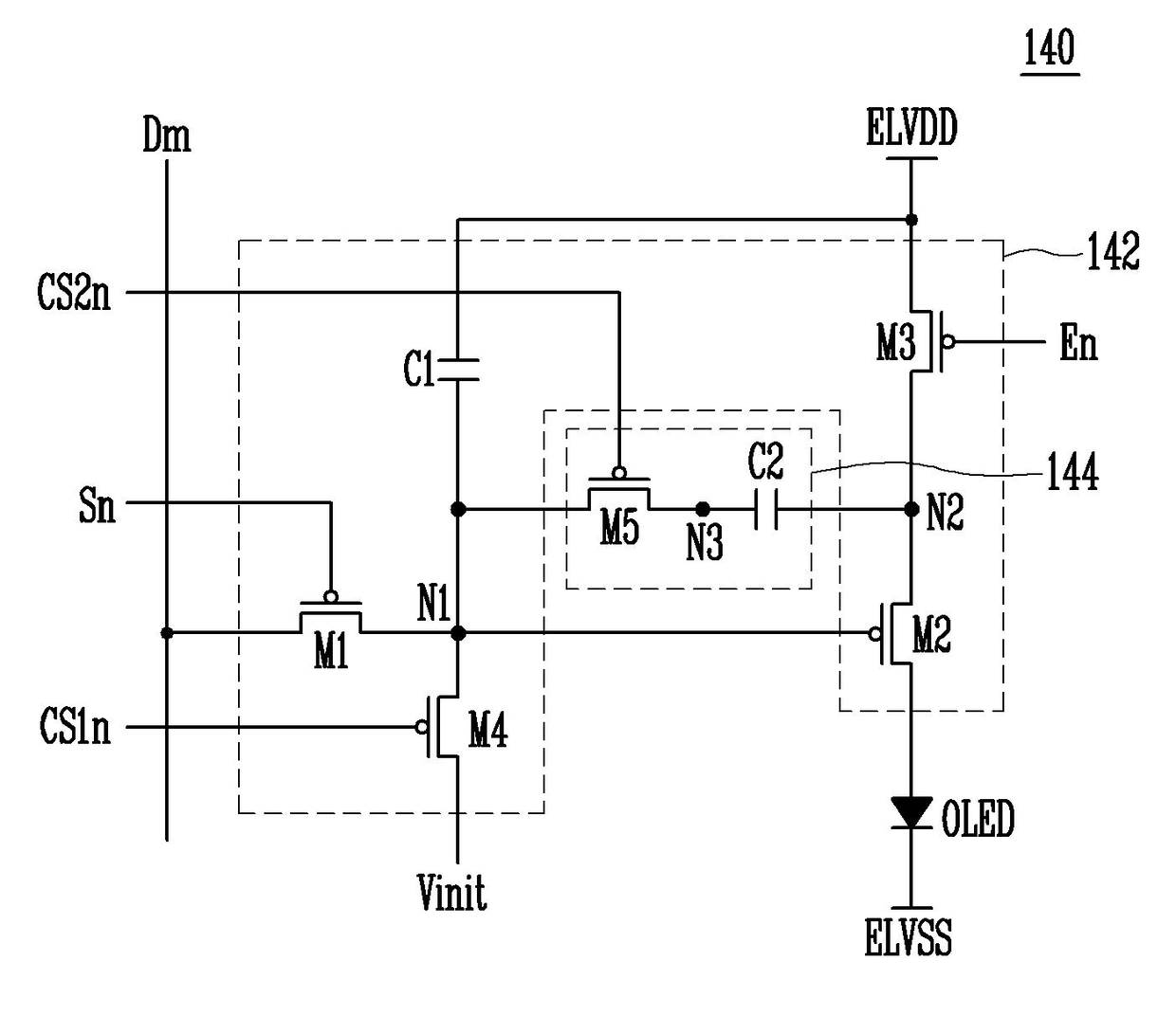
详情
文本
图像
标题
화소 및 이를 이용한 유기전계발광 표시장치
授权日
2009-12-03
公开(公告)号
KR100931469B1
申请日
2008-02-28
公开(公告)日
2009-12-11
当前申请(专利权)人
삼성모바일디스플레이주식회사
发明人
SANGMOO CHOI
简单同族
KR100931469B1 | KR1020090093020A | US20090219232A1 | US8446344
简单同族成员数量
4
简单同族被引用专利总数
63
诉讼案件数
0
法律状态/事件
授权 | 权利转移
抱歉,您的浏览器不支持PDF预览,请点击链接下载PDF文件