专利数据库
统计分析
产业报告
专利数据监控
产业人才
行业动态
产业政策法规
维权援助
个人中心
详情
文本
图像
标题
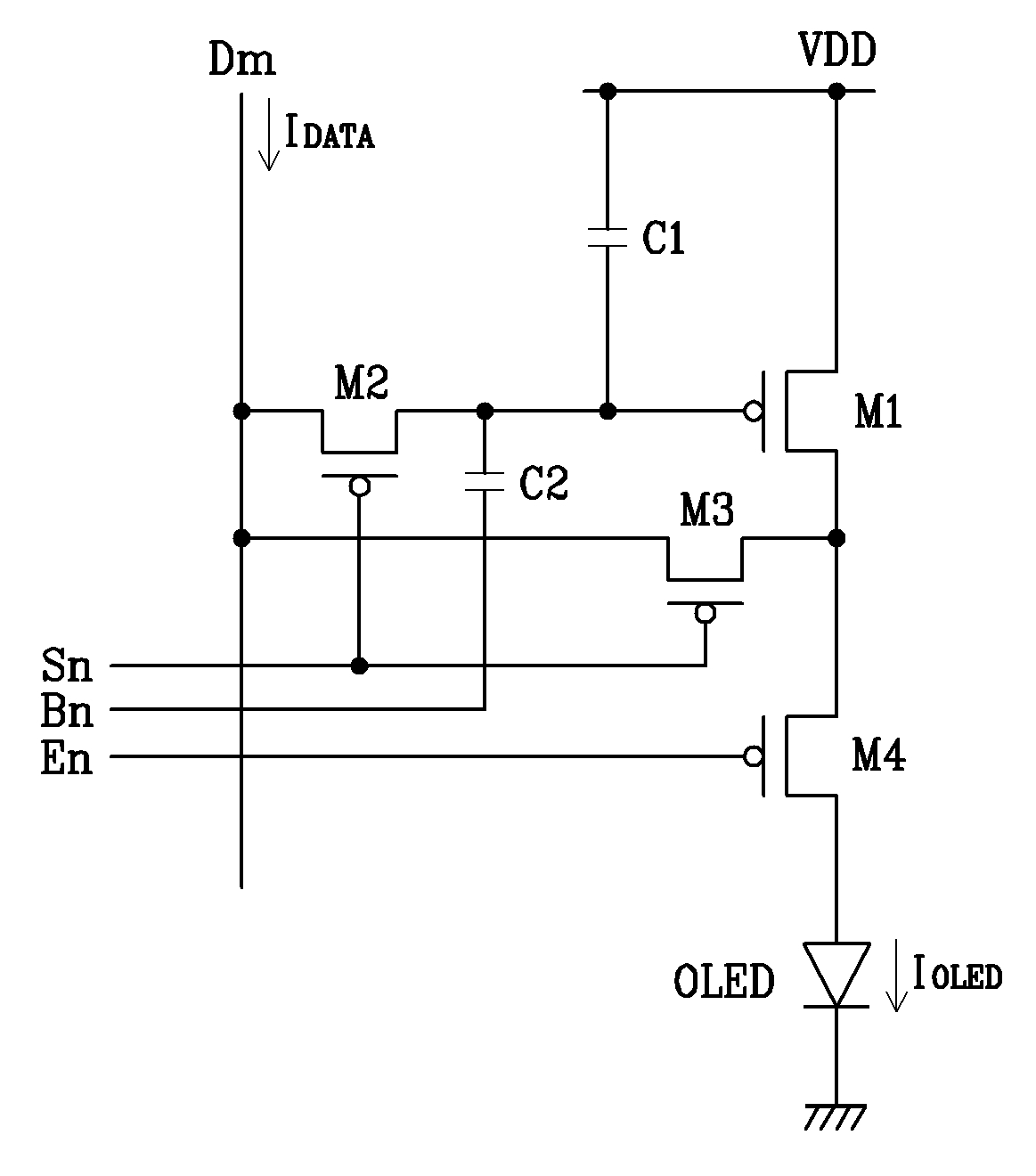
발광 표시 장치 및 그 표시 패널과 구동 방법
授权日
2005-09-08
公开(公告)号
KR100515305B1
申请日
2003-10-29
公开(公告)日
2005-09-15
当前申请(专利权)人
삼성에스디아이 주식회사
发明人
신동용 | 김금남 | 류도형
简单同族
CN100399399C | CN1684132A | JP2005134874A | JP5140232B2 | KR100515305B1 | KR1020050041088A | US20050093464A1 | US7129643
简单同族成员数量
8
简单同族被引用专利总数
110
诉讼案件数
0
法律状态/事件
未缴年费 | 权利转移
抱歉,您的浏览器不支持PDF预览,请点击链接下载PDF文件