专利数据库
统计分析
产业报告
专利数据监控
产业人才
行业动态
产业政策法规
维权援助
个人中心
详情
文本
图像
标题
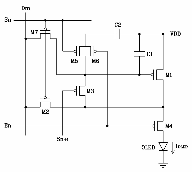
발광 표시 장치 및 그 표시 패널과 구동 방법
授权日
1900-01-01
公开(公告)号
KR1020040085654A
申请日
2003-04-01
公开(公告)日
2004-10-08
当前申请(专利权)人
삼성에스디아이 주식회사
发明人
권오경
简单同族
CN1313997C | CN1534579A | DE60305872D1 | DE60305872T2 | EP1465141A1 | EP1465141B1 | JP2004310014A | JP4153855B2 | KR100497246B1 | KR1020040085654A | US20040196223A1 | US7187351
简单同族成员数量
12
简单同族被引用专利总数
121
诉讼案件数
0
法律状态/事件
授权 | 权利转移
抱歉,您的浏览器不支持PDF预览,请点击链接下载PDF文件