专利数据库
统计分析
产业报告
专利数据监控
产业人才
行业动态
产业政策法规
维权援助
个人中心
详情
文本
图像
标题
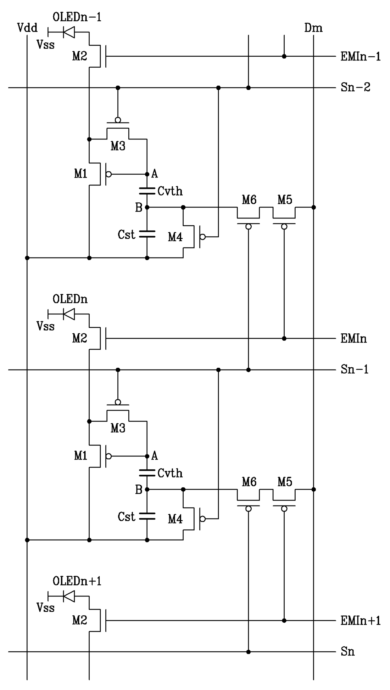
발광 표시 장치
授权日
2007-02-13
公开(公告)号
KR100684712B1
申请日
2004-03-09
公开(公告)日
2007-02-20
当前申请(专利权)人
삼성에스디아이 주식회사
发明人
김양완 | 곽원규
简单同族
CN100470621C | CN1667681A | JP2005258415A | JP4191146B2 | KR100684712B1 | KR1020050090666A | US20050200618A1 | US20110080386A1 | US7864140 | US8330680
简单同族成员数量
10
简单同族被引用专利总数
57
诉讼案件数
0
法律状态/事件
未缴年费 | 权利转移
抱歉,您的浏览器不支持PDF预览,请点击链接下载PDF文件