专利数据库
统计分析
产业报告
专利数据监控
产业人才
行业动态
产业政策法规
维权援助
个人中心
详情
文本
图像
标题
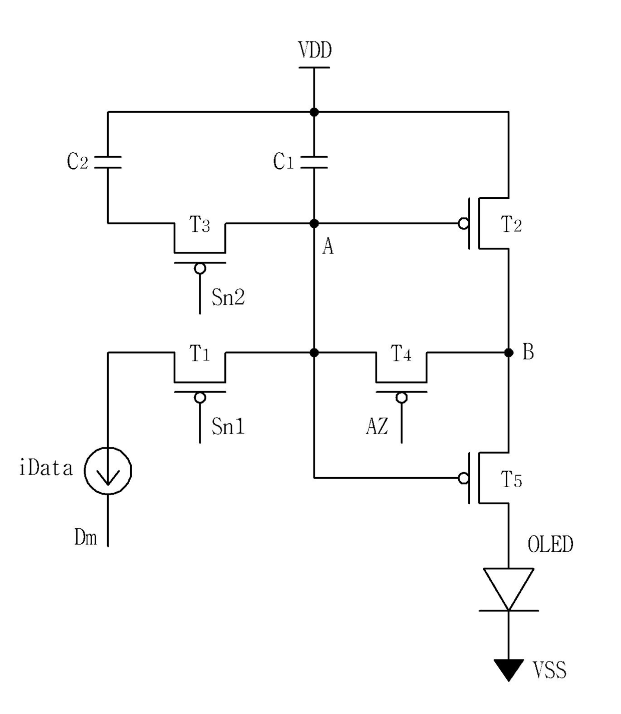
발명의 명칭 유기전계발광표시장치의 화소 회로
授权日
2012-10-30
公开(公告)号
KR101197768B1
申请日
2006-05-18
公开(公告)日
2012-11-06
当前申请(专利权)人
엘지디스플레이 주식회사
发明人
정상훈 | 안태준
简单同族
CN100538797C | CN101075407A | JP2007310346A | JP4805796B2 | KR101197768B1 | KR1020070111634A | TW200744036A | TWI354251B | US20070268217A1 | US7839364
简单同族成员数量
10
简单同族被引用专利总数
67
诉讼案件数
0
法律状态/事件
授权
抱歉,您的浏览器不支持PDF预览,请点击链接下载PDF文件